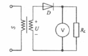
单相半波整流电路如图所示,已知变压器副边电压为U(t)=28.28sin(ωt+vψ)V,设D为理想二极管, 直流电压表的读数是()V。A. 9.00 ...

作者: tihaiku 人气: - 评论: 0
问题 单相半波整流电路如图所示,已知变压器副边电压为U(t)=28.28sin(ωt+vψ)V,设D为理想二极管, 直流电压表的读数是()V。
选项 A. 9.00 B. 16.33 C. 20.00 D.28.28
答案 A
解析

相关内容:半波,整流,电路,如图,变压器,副边,电压,28.28sin,理想,二极管,电压表,读数

猜你喜欢

发表评论
更多 网友评论0 条评论)
暂无评论

Copyright © 2012-2014 恰考网 Inc. 保留所有权利。 Powered by tikuer.com

页面耗时0.0437秒, 内存占用1.04 MB, Cache:redis,访问数据库20次