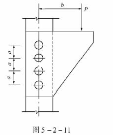
四个直径为d的铆钉将托架固定在立柱上,如图5-2-11所示。铆钉间距为a,外力P到立柱中心线的距离为b,如铆钉自上至下的编号为1、2、3、4,对应的铆钉所...

作者: tihaiku 人气: - 评论: 0
问题 四个直径为d的铆钉将托架固定在立柱上,如图5-2-11所示。铆钉间距为a,外力P到立柱中心线的距离为b,如铆钉自上至下的编号为1、2、3、4,对应的铆钉所受的剪力数值为Q1、Q2,Q3,Q4,则各剪力之间的关系为()。
选项 A.Q1=Q2=Q3=Q4 B.Q1234 C.Q1=Q4>Q3=Q2 D.Q1=Q43=Q2
答案 C
解析 将集中外力P等效作用到立柱中心线上,可得等效荷载为一大小为P、方向向下的集中荷载和一大小为Pb、沿顺时针方向的力偶矩。根据四个铆钉的位置关系可知,四个铆钉各自承担的竖直向剪力均为P/4;水平向剪力则因各铆钉距离铆钉组形心的距离的不同而不同,1号、4号铆钉与铆钉组形心间的距离均为1.5a,2号、3号铆钉与铆钉组形心间的距离均为0.5a,因此1号铆钉和4号铆钉承担的水平向剪力大于2号铆钉和3号铆钉承担的水平向剪力。将水平向剪力与竖直向剪力合成为铆钉承担的总剪力后可知,Q1=Q4>Q3=Q2。

相关内容:直径,铆钉,托架,立柱,如图,5-2-11所示,间距,外力,中心线,距离

猜你喜欢

发表评论
更多 网友评论0 条评论)
暂无评论

Copyright © 2012-2014 恰考网 Inc. 保留所有权利。 Powered by tikuer.com

页面耗时0.0636秒, 内存占用1.05 MB, Cache:redis,访问数据库18次