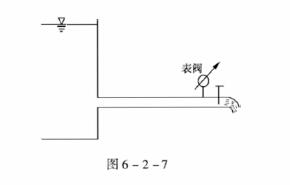
如图6-2-7所示有压恒定流水管直径d=50mm,末端阀门关闭时压力表读数为21kPa,阀门打开后读值降至5.5kPa,如不计水头损失,则该管的通过流量Q...

作者: tihaiku 人气: - 评论: 0
问题 如图6-2-7所示有压恒定流水管直径d=50mm,末端阀门关闭时压力表读数为21kPa,阀门打开后读值降至5.5kPa,如不计水头损失,则该管的通过流量Q为()L/s。
选项 A. 18 B. 15 C. 10.9 D. 9
答案 C
解析

相关内容:如图,水管,直径,末端,阀门,压力表,读数,读值,5.5kPa,水头,损失,该管,流量

猜你喜欢

发表评论
更多 网友评论0 条评论)
暂无评论
错误啦!

错误信息

  • 消息: [程序异常] : MISCONF Redis is configured to save RDB snapshots, but it's currently unable to persist to disk. Commands that may modify the data set are disabled, because this instance is configured to report errors during writes if RDB snapshotting fails (stop-writes-on-bgsave-error option). Please check the Redis logs for details about the RDB error.
  • 文件: /twcms/kongphp/cache/cache_redis.class.php
  • 位置: 第 85 行
    <?php echo 'KongPHP, Road to Jane.'; ?>