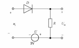
电路如图7-5-10所示,D为理想二极管, Ui= =6Sinωt(V),则输出电压的最大值Uom=()V A. -6 B. -3 C. 3 D. 6

作者: tihaiku 人气: - 评论: 0
问题 电路如图7-5-10所示,D为理想二极管, Ui= =6Sinωt(V),则输出电压的最大值Uom=()V
选项 A. -6 B. -3 C. 3 D. 6
答案 C
解析 分析二极管电路的方法是先将二极管视为断路,判断二极管的两端电压。如果二极管处于正向偏置状态,可将二极管视为短路,输出电压最大值UoM=6—3=3V;如果二极管处于反向偏置状态,可将二极管视为断路,输出电压为0。由于D为理想二极管,可以将其视为短路,故输出电压最大值为3V。

相关内容:电路,如图,7-5-10所示,理想,二极管,电压,最大值

猜你喜欢

发表评论
更多 网友评论0 条评论)
暂无评论

Copyright © 2012-2014 恰考网 Inc. 保留所有权利。 Powered by tikuer.com

页面耗时0.0507秒, 内存占用1.05 MB, Cache:redis,访问数据库20次