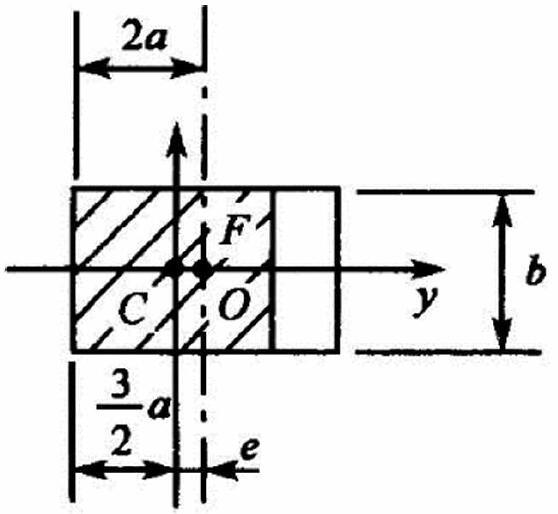
图示矩形截面受压杆,杆的中间段右侧有一槽,如图(a)所示。若在杆的左侧,即槽的对称位置也挖出同样的槽(如图(b)),则图(b)杆的最大压应力是图(a)最大...

作者: tihaiku 人气: - 评论: 0
问题 图示矩形截面受压杆,杆的中间段右侧有一槽,如图(a)所示。若在杆的左侧,即槽的对称位置也挖出同样的槽(如图(b)),则图(b)杆的最大压应力是图(a)最大压应力的( )。
选项 A. 3/4 B. 4/3 C. 3/2 D. 2/3
答案 A
解析 (a)图是偏心受压,在中间段危险截面上,外力作用点O与被削弱的截面形心C之间的偏心距,(如图所示),产生的附加弯矩,故(a)图中的最大应力:。(b)图虽然截面积小,但却是轴向压缩,其最大压应力: ,故

相关内容:矩形,截面,段右侧,一槽,如图,即槽,位置,挖出,则图,应力

猜你喜欢

发表评论
更多 网友评论0 条评论)
暂无评论

Copyright © 2012-2014 恰考网 Inc. 保留所有权利。 Powered by tikuer.com

页面耗时0.0489秒, 内存占用1.04 MB, Cache:redis,访问数据库18次