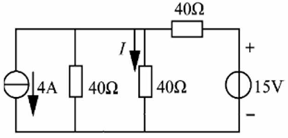
己知电路如图所示,其中,相应电流I在电压源单独作用时的分量为()。 A. 0.375A B. 0.25A C. 0.125A D. 0.1875A

作者: tihaiku 人气: - 评论: 0
问题 己知电路如图所示,其中,相应电流I在电压源单独作用时的分量为()。 A. 0.375A B. 0.25A C. 0.125
选项 A D. 0.1875A
答案 C
解析 求解两类问题时,需要将电源置零:①利用戴维南(诺顿)定理分析电路,需要求戴维南等效电阻时;②利用叠加定理分析电路,任一电源单独作用,其他电源置零。 本题中,当电压源单独作用时,把电流源所在支路断开,即开路,但保留其电阻,则并联电路的电阻大小为,所以干路电流为I5/ (40+20) =0.25A,所以支路电流I为0.125。同样,当电流源单独作用时,将电压源短接,使其失效,但保留其内阻。

相关内容:己知,电路,如图,电流,电压,用时,分量,0.375A,0.125A,0.1875A

猜你喜欢

发表评论
更多 网友评论0 条评论)
暂无评论
错误啦!

错误信息

  • 消息: [程序异常] : MISCONF Redis is configured to save RDB snapshots, but it's currently unable to persist to disk. Commands that may modify the data set are disabled, because this instance is configured to report errors during writes if RDB snapshotting fails (stop-writes-on-bgsave-error option). Please check the Redis logs for details about the RDB error.
  • 文件: /twcms/kongphp/cache/cache_redis.class.php
  • 位置: 第 85 行
    <?php echo 'KongPHP, Road to Jane.'; ?>