一座35kV变电所,有两回35kV进线,装有两台35/10kV容量为5000kV·A主变压器,35kV母线和10kV母线均釆用单母线分段接线方式,有关参数...

作者: tihaiku 人气: - 评论: 0
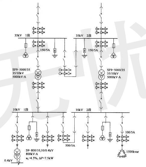
问题 一座35kV变电所,有两回35kV进线,装有两台35/10kV容量为5000kV·A主变压器,35kV母线和10kV母线均釆用单母线分段接线方式,有关参数 :如图所示,继电保护装置由电流互感器、DL型电流继电器、时间继电器组成,可靠系数为1.2,接线系数为1,继电器返回系数为0.85。 已知上图中10/0.4kV,800kV·A变压器高压侧短路容量为200MV·A,变压器短路损耗为7. 5kW,低压侧0.4kV母线上三相短路和两相短路电流稳态值为下列哪一项?(低压侧母线段阻抗忽略不计) ( ) (A)22.39kA,19.39kA (B)23.47kA,20. 33kA (C)25.56kA,22.13k
选项 A (D)287. 5kA,248.98kA
答案 B
解析 《工业与民用配电设计手册》(第三版)P154表4-21、表4-22和P162式(4-54)。 釆用查表法: 根据表4-22,800kV·A容量对应的电阻和电抗分别为RT= 1. 88mΩ , χT = 8. 8mΩ。 根据表4-21,高压侧短路容量为200MV · A对应的电阻和电抗(归算到0.4kV侧)分别为 Rs=0. 08mΩ , Xs = 0. 8mΩ。

相关内容:一座,变电所,容量,5000kV,变压器,母线,釆用,单母线,分段,接线,方式,有关,参数

猜你喜欢

发表评论
更多 网友评论0 条评论)
暂无评论

Copyright © 2012-2014 恰考网 Inc. 保留所有权利。 Powered by tikuer.com

页面耗时0.0479秒, 内存占用1.04 MB, Cache:redis,访问数据库19次