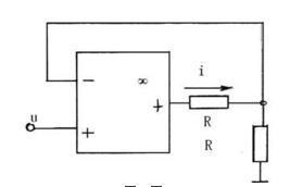
如图所示,负载电流iL与负载电阻RL的关系为(  )。 A.RL增加,iL减小 B.iL的大小与RL的阻值无关 C.iL随RL增加而增大 ...

作者: rantiku 人气: - 评论: 0
问题 如图所示,负载电流iL与负载电阻RL的关系为(  )。
选项 A.RL增加,iL减小 B.iL的大小与RL的阻值无关 C.iL随RL增加而增大 D.RL减小,iL减小
答案 B
解析 用线性运算电路的三个理想条件分析。题中电阻R的电流与RL中的电流相同,R上的电压就是输入电压ui。

猜你喜欢

发表评论
更多 网友评论0 条评论)
暂无评论

Copyright © 2012-2014 恰考网 Inc. 保留所有权利。 Powered by tikuer.com

页面耗时0.0388秒, 内存占用1.03 MB, Cache:redis,访问数据库20次