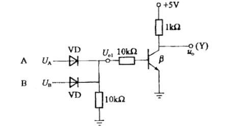
图示电路中,二极管视为理想元件,即正向电压降为零,反向电阻为无穷大。三极管的β=100。输入信号UA、UB的高电平是3. 5V,(逻辑1),低电平是0. ...

作者: rantiku 人气: - 评论: 0
问题 图示电路中,二极管视为理想元件,即正向电压降为零,反向电阻为无穷大。三极管的β=100。输入信号UA、UB的高电平是3. 5V,(逻辑1),低电平是0. 3V(逻辑0),若该电路的输出电压U0为电压平时定为逻辑1,图所示电路应为:
选项 A.与门 B.与非门 C.或门 D.或非门
答案 D
解析 提示 当UA或UB中有高电位时,u01输出高电位,u01与UA、UB符合或门逻辑电路。u0与u01的电位关系符合非门逻辑,因此,该电路的输出与输入之间有或非逻辑。电位分析如解表1和解表2所示。

猜你喜欢

发表评论
更多 网友评论0 条评论)
暂无评论

Copyright © 2012-2014 恰考网 Inc. 保留所有权利。 Powered by tikuer.com

页面耗时0.0352秒, 内存占用1.03 MB, Cache:redis,访问数据库20次