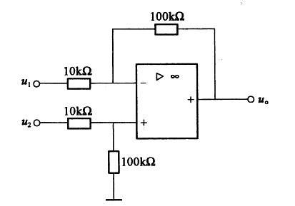
运算放大器应用电路如图所示,在运算放大器线性工作区,输出电压与输入电压之间的运算关系是:

作者: rantiku 人气: - 评论: 0
问题 运算放大器应用电路如图所示,在运算放大器线性工作区,输出电压与输入电压之间的运算关系是:
选项
答案 B
解析

猜你喜欢

发表评论
更多 网友评论0 条评论)
暂无评论

Copyright © 2012-2014 恰考网 Inc. 保留所有权利。 Powered by tikuer.com

页面耗时0.0386秒, 内存占用1.03 MB, Cache:redis,访问数据库20次