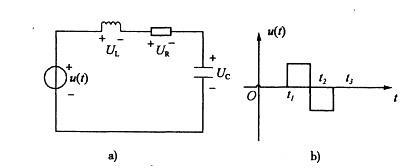
图a)所示电路的激励电压如图b)所示,那么,从t=0时刻开始,电路出现暂态过程的次数和在换路时刻发生突变的量分别是 A. 3次,电感电压 B. 4...

作者: rantiku 人气: - 评论: 0
问题 图a)所示电路的激励电压如图b)所示,那么,从t=0时刻开始,电路出现暂态过程的次数和在换路时刻发生突变的量分别是
选项 A. 3次,电感电压 B. 4次,电感电压和电容电流 C. 3次,电容电流 D. 4次,电阻电压和电感电压
答案 A
解析 在有储能原件存在的电路中,电感电流和电容电压不能跃变。本电路的输入电压发生了三次跃变。在图示的RLC串联电路中电阻的电压和电容的电流不会发生跃变。

猜你喜欢

发表评论
更多 网友评论0 条评论)
暂无评论

Copyright © 2012-2014 恰考网 Inc. 保留所有权利。 Powered by tikuer.com

页面耗时0.0544秒, 内存占用1.03 MB, Cache:redis,访问数据库18次