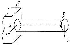
图示圆轴,固定端外圆上y=0点(图中A点)的单元体的应力状态是:

作者: rantiku 人气: - 评论: 0
问题 图示圆轴,固定端外圆上y=0点(图中
选项 A点)的单元体的应力状态是:
答案 B
解析 图示圆轴是弯扭组合变形,在固定端处既有弯曲正应力,又有扭转切应力。但是图中A点位于中性轴上,故没有弯曲正应力,只有切应力,属于纯剪切应力状态。

猜你喜欢

发表评论
更多 网友评论0 条评论)
暂无评论

Copyright © 2012-2014 恰考网 Inc. 保留所有权利。 Powered by tikuer.com

页面耗时0.0304秒, 内存占用1.03 MB, Cache:redis,访问数据库20次