背景 某建筑空调工程中的冷热源主要设备由某施工单位吊装就位,设备需吊装到地下一层(-7.5m),再牵引至冷冻机房和锅炉房就位。施工单位依据设备一览表(见...

作者: tihaiku 人气: - 评论: 0
问题

背景

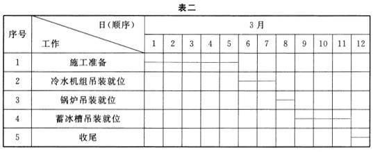
某建筑空调工程中的冷热源主要设备由某施工单位吊装就位,设备需吊装到地下一层(-7.5m),再牵引至冷冻机房和锅炉房就位。施工单位依据设备一览表(见表一)及施工现场条件(混凝土地坪)等技术参数进行分析、比较,制订了设备吊装施工方案,方案中选用KMK6200汽车吊,吊机在工作半径19m、吊杆伸长44.2m时,允许载荷为21.5t,满足设备的吊装要求。锅炉房的泄爆口尺寸为(9000*4000)mm,大于所有设备外形尺寸,设置锅炉房泄爆口为设备的吊装口,所有设备经该吊装口吊人,冷水机组和蓄冰槽需用卷扬机牵引到冷冻机房就位。在吊装方案中,绘制了吊装施工平面图,设置吊装区,指定安全技术措施,编制了设备吊装进度计划(见表二)。施工单位按吊装的工程量及进度计划配置足够的施工作业人员。

问题:

1.设备吊装工程中应配置哪些主要的施工作业人员?

2.吊机的站立位置的地基应如何处理?

3.指出进度计划中设备吊装顺序的不合理之处,说明理由并纠正。

4.在设备的试吊中,应关注哪几个重要步骤?

选项

1.设备吊装工程中应配置的主要施工作业人员有信号指挥人员、司索人员和起重工。

2.起重机在吊装前必须对吊车站立位置的地基进行平整和清理,按规定进行沉降预压试验。

3.进度计划中设备吊装顺序不合理之处:锅炉吊装就位后进行蓄冰槽吊装就位。理由:锅炉房泄爆口为设备的吊装口,所有设备经该吊装口,吊入。纠正方法:应该最后进行锅炉吊装就位。

4.在设备的试吊中,应关注的重要步骤是设备(最大尺寸)的吊起高度,设备的停留时间,设备(冷水机组,锅炉)的检查部位和调整方法。

答案
解析

本案例第1问主要考查设备吊装工程中主要施工作业人员的配置。吊装作业的安全技术保证措施主要包括:施工现场必须选派具有丰富吊装经验的信号指挥人员、司索人员、起重工,并熟练掌握作业的安全要求。作业人员必须持证上岗,吊装挂钩人员必须做到相对固定。

本案例第2问主要考查汽车式起重机的基础处理。吊装安全规定,大型起重机其施工场地必须进行平整加固,地基承载力满足吊装需要,支腿支垫牢靠,回转半径内不得有障碍物,根据这一规定,本题对吊车站位地基就应清理平整并做沉降预压试验以满足吊装需要。

本案例第3问主要考查施工顺序。在进度表中,先吊装锅炉,后吊装蓄冰槽是不合理的。因为蓄冰槽是利用锅炉房的泄爆口吊装的,否则就不能吊装。锅炉房应安排在蓄冰槽后吊装。

本案例第4问主要考查设备试吊过程中应关注的重要步骤。在设备的试吊中,应关注的重要步骤包括:吊起设备的高度、停留时间、检查部位、是否合格的判断标准、调整的方法和要求等。在工艺岗位分工中,应明确每一个参加吊装施工的人员的岗位责任和职责,以做到施工有序。

相关内容:背景,建筑,空调工程,热源,设备,吊装,需吊,地下,牵引,冷冻,机房,锅炉房,依据,一览表

猜你喜欢

发表评论
更多 网友评论0 条评论)
暂无评论

访问排行

Copyright © 2012-2014 恰考网 Inc. 保留所有权利。 Powered by tikuer.com

页面耗时0.0494秒, 内存占用1.05 MB, Cache:redis,访问数据库19次