需要长期保留的基准线和基准点,则设置永久中心标版和永久基准点,最好采用( )制作。A. 普通钢材 B. 铜材 C. 铸铁 D. 镀锌钢板

作者: tihaiku 人气: - 评论: 0
问题 需要长期保留的基准线和基准点,则设置永久中心标版和永久基准点,最好采用( )制作。
选项 A. 普通钢材 B. 铜材 C. 铸铁 D. 镀锌钢板
答案 B
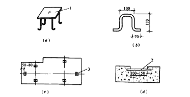
解析 永久基准线和基准点的设置要求 (1)在较长的安装期间和生产检修使用时,需要长期保留的基准线和基准点,则设置永久中心标板和永久基准点,最好采用铜材或不锈钢材制作,用普通钢材制作需采取防腐措施,例如涂漆或镀锌。P37 中心标板(① 配合土建埋设;② 基础养护期满埋设);根据施工图,按建筑物的定位轴线来测定机械设备的纵、横中心线并标注在中心标板上,作为设备安装的基准线。设备安装平面基准线不少于纵、横两条。 设备基础中心线标桩的埋设 中心线标板 可采用小钢板下面加焊两锚固脚的型式(图a),或用φ18~22mm的钢筋制成卡钉(图b),在基础混凝土未凝固前,将其埋设在中心线的位置(图c),埋标时应使顶面露出基础面3~5mm,至基础的边缘为50~80mm。若主要设备中心线通过基础凹形部分或地沟时,则埋设50mm×50mm的角钢或100mm×50mm的槽钢(图d)。 设备基础中心线标桩的埋设

相关内容:需要,基准线,中心,标版,最好,钢材,铜材,铸铁,镀锌,钢板

猜你喜欢

发表评论
更多 网友评论0 条评论)
暂无评论

访问排行

Copyright © 2012-2014 恰考网 Inc. 保留所有权利。 Powered by tikuer.com

页面耗时0.0510秒, 内存占用1.05 MB, Cache:redis,访问数据库19次