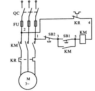
如图所示为三相异步电动机控制原理图。问题:1.试说明SB、QC、FU、KM、KR所代表电器的名称及在电路中的作用。2.试叙述三相异步电动机启动...

作者: rantiku 人气: - 评论: 0
问题 如图所示为三相异步电动机控制原理图。 问题: 1.试说明SB、QC、FU、KM、KR所代表电器的名称及在电路中的作用。 2.试叙述三相异步电动机启动、停止的控制过程。
选项
答案
解析 1. SB是按钮,在控制电路中使用,通过较小的电流;QC是组合开关,在主电路中应用, 直接把外接电源和电动机连接起来;FU是熔断器,起短路保护作用;KM是交流接触器,分别控制主触头和辅助触头效应产生的相应的动作;KR是热继电器,起过载保护作用。 2.起动过程是首先闭合组合开关QC,按下按钮SB1,主触头KM动作闭合,电动机进入运转,松开按钮,由于KM的辅助触头仍然处在闭合状态,所以电动机继续转动。如果要电动机停止转动,只要按下按钮SB2,则控制电路断开,交流接触器KM的绕组停电,于是主触头KM 断开,辅助触头KM也断开,电动机就从主电路中切除,停止转动。

猜你喜欢

发表评论
更多 网友评论0 条评论)
暂无评论

访问排行

Copyright © 2012-2014 恰考网 Inc. 保留所有权利。 Powered by tikuer.com

页面耗时0.0403秒, 内存占用1.03 MB, Cache:redis,访问数据库20次