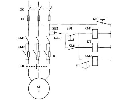
(1)试述三相异步电动机旋转的必要条件,以及三相异步电动机和直流电动机应用的场合。(2)如图所示为一台三相异步电动机降压起动控制线路,试说明该起动为何...

作者: rantiku 人气: - 评论: 0
问题 (1)试述三相异步电动机旋转的必要条件,以及三相异步电动机和直流电动机应用的场合。 (2)如图所示为一台三相异步电动机降压起动控制线路,试说明该起动为何种降压起动,并写出起动过程。
选项
答案
解析 (1)电动机转速和旋转磁场转速的差异是保证电动机旋转的必要条件。三相异步电 动机由于优点突出,所以广泛运用于工农业生产中;直流电动机广泛地运用于要求调速性 能较高的生产机械,或需要较大起动转矩的生产机械中。 (2)鼠笼式降压起动中的串接电阻降压起动,起动过程是,合上组合开关QC,按下起 动按钮SB1、KM1线圈通电,其三个主触头和辅助触头闭合,时间继电器线圈KT通电,但 最下面的时间继电器,需要延时一段时间后才闭合,所以KM2线圈没电,其三个主触头断 开,所以在起动的时候,电阻就串接到定子绕组中,实现了降压起动,当时间继电器延时 时间到了后,常开延时闭合触头闭合,KM2线圈得电,其三个主触头闭合,将定子回路的 电阻短路,电机进入全电压运行状态。

猜你喜欢

发表评论
更多 网友评论0 条评论)
暂无评论
错误啦!

错误信息

  • 消息: [程序异常] : MISCONF Redis is configured to save RDB snapshots, but it's currently unable to persist to disk. Commands that may modify the data set are disabled, because this instance is configured to report errors during writes if RDB snapshotting fails (stop-writes-on-bgsave-error option). Please check the Redis logs for details about the RDB error.
  • 文件: /twcms/kongphp/cache/cache_redis.class.php
  • 位置: 第 85 行
    <?php echo 'KongPHP, Road to Jane.'; ?>