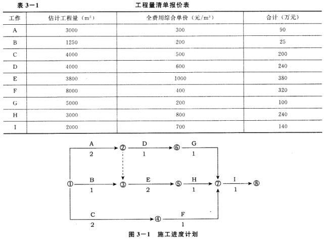
(共20分) 背景: 某工程,施工单位按招标文件中提供的工程量清单作出报价(表3-1)施工合同约定:工程预付款为合同总价的20%,从工程进度款累计...

作者: rantiku 人气: - 评论: 0
问题 (共20分) 背景: 某工程,施工单位按招标文件中提供的工程量清单作出报价(表3-1)施工合同约定:工程预付款为合同总价的20%,从工程进度款累计总额达到合同总价1 0%的月份开始,按当月工程进度款的30%扣回,扣完为止;施工过程中发生的设计变更,采用以直接费为计算基础的全费用综合单价计价,间接费费率1 0%,利润率5%,计税系数3. 41%。施工开始后遇到季节性的阵雨。施工单位对已完工程采取了保护措施并发生了保护措施费;为了确保工程安全,施工单位提高了安全防护等级,发生了防护措施费。施工单位提出,上述两项费用应由建设单位另行支付。施工至第2个月末。建设单位要求进行设计变更,该变更增加了一新的分项工程N,根据工艺要求,N在E结束以后开始,在H开始前完成,持续时间1个月,N工作的直接费为400元/每立方,工程量为3 000立方。 问题: 1.施工单位提出发生的保护措施费和防护措施费由建设单位另行支付是否合理?说明理由。 2.新增分项工程N的全费用综合单价及工程变更后增加的款额是多少?(计算结果保留2位小数) 3.该工程合同总价是多少?增加N工作后的工程造价是多少? 4.若该工程的各项工作均按最早开始时间安排,各工作均按匀速完成,且各工作实际工程量与估计工程量无差异,在表3-2中填入H、I、N三项工作分月工程进度款。 5.该工程预付款是多少?第1个月至第4个月每月结算款各为多少? 1.(1)要求建设单位另行支付工程保护措施费不合理,因为该部分费用已包括在合同价中(或属施工单位支付的费用)(2)要求建设单位另行支付安全防护费不合理,因为该部分费用已包括在合同价中(或属施工单位支付的费用); 2.(1)全费用综合单价(也可合并计算):①分项直接费=400(元/m3)②间接费=①*10% =400*10%=40(元/m3)③利润=(①+②)*5%=(400+40)*5% =22(元/m3)④税金=(①+②+③)*3.41%=( 400+40+22)*3.41% =15. 75(元/m3)⑤全费用综合单价=①+②+③+④= 400+40+22+15. 75 =477. 75(元/m3)或①分项直接费=400*3000=1200000(元)②间接费=:①*10% =1200000*1 0%=120000(元)③利润=(①+②)*5%=(1200000+120000)*5%=66000(元)④税金=(①+②+⑧)*3. 41%=(1 200000+120000+66000)*3.4 1%=47263(元)⑤全费用综合单价=(①+②+③+④)3000=(1200000+120000+ 66000+47263)3000=477.7 5(元/m3)(2)工程变更后增加的款额=477. 75*3000=14333250元=1 4 3.3 3(万元) 3.(1)该工程合同总价=90+25+200+240+380+.320+100+240+140=1735(万元)(2)增加N工作后的工程造价=1735+143. 33=1878. 33(万元) 4.(1)H工作第6月工程进度款=240(万元)(2)I工作第7月工程进度款=140(万元)(3)N工作第5月工程进度款=143. 33(万元) 5.分月工程进度表(单位:万元) 工程预付款及第1个月至第4个月每月结算款计算如下:(1)工程预付款=173 5*20% =347(万元)1 7 3 5*10%=17 3.5(万元),故累计完成的工程款大于173.5万元时开始扣预付款。(2)第1个月至第4个月每月结算款:1月份:工程进度款1 70万元<173.5万元本月不扣预付款,本月结算款1 70万元。2月份:工程进度款1 45万元累计工程进度款145+170=315万元>173.5万元,本月开始扣预付款本月扣预付款金额=1 4 5*30%=43.5(万元)本月结算款=145-43.5=101.5(万元)3月份:工程进度款7 50万元本月扣回预付款金额=7 50*30%=225(万元)累计扣回预付款金额=43. 5+225= 268.5(万元)本月结算款=290-78. 5= 211.5(万元)4月份:工程进度款2 90万元预付款未扣部分=347- 268. 5=78.5(万元)2 90*30%=87万元>78.5万元本月实际扣预付款金额为78.5万元本月结算款=290-78.5=211.5(万元)
选项
答案
解析

猜你喜欢

发表评论
更多 网友评论0 条评论)
暂无评论

访问排行

Copyright © 2012-2014 恰考网 Inc. 保留所有权利。 Powered by tikuer.com

页面耗时0.0469秒, 内存占用1.04 MB, Cache:redis,访问数据库19次