某工程有A、B、C 三个设计方案,有关专家决定从四个功能(分别以FI、F2、F3、F4 表示)对不同方案进行评价,并得到以下结论:A、B、C 三个方案中,...

作者: tihaiku 人气: - 评论: 0
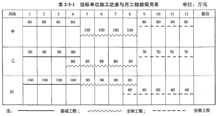
问题 某工程有A、B、C 三个设计方案,有关专家决定从四个功能(分别以FI、F2、F3、F4 表示)对不同方案进行评价,并得到以下结论:A、B、C 三个方案中,F1 的优劣顺序依次为B、A、C,F2 的优劣顺序依次为A、C、B,F3的优劣顺序依次为C、B、A,F4 的优劣顺序依次为A、B、C。经进一步研究,专家确定三个方案各功能的评价计分标准均为:最优者得3 分,居中者得2 分,最差者得1 分。 据造价工程师估算,A、B、C 三个方案的造价分别为8500 万元、7600 万元、6900 万元。 投标人拟参加本项目招标,投标人拟定了甲、乙、丙三个施工组织方案,分析了按各方案组织施工时各月正常施工条件下可获得的工程款和施工进度,数据见表2-5-1。 配套项目进行了设备公开招标,经技术性评审后,评委会决定从A、B 两设备中选定一种。两种设备商务性评审主要考虑设备的资金时间价值。设备A 使用寿命期为6 年,设备投资10000 万元,年使用成本前三年均为5500万元,后三年均为6500 万元,期末净残值为3500 万元。设备B 使用寿命期为6 年,设备投资12000 万元,年使用成本前三年均为5000 万元,后三年均为6000 万元,期末净残值为4500 万元。该项目投资财务基准收益率为15%。 问题: 1.(1)将A、B、C 三个方案各功能的得分列表写出。 (2)若四个功能之间的重要性关系排序为F2>F1>F4>F3,采用0—1 评分法确定各功能的权重。 (3)已知A、B 两方案的价值指数分别为1.127、0.961,在0—li?平分法的基础上列式计算C 方案的价值指数,并根据价值指数的大小选择最佳设计方案。 ⑷若四个功能之间的重要性关系为:F1 与F2 同等重要,F1 相对F4 较重要,F2 相对F3 很重要,采用0—4 评分法确定各功能的权重。 (计算结果保留33 位小数) 2. 以开工日为折现点,在折现率为的前提下,以方案现值最大化为目标选择施工方案。(附计算系数表) 3.(1)用年费用法比较选择设备。 (2)如果设备B 使用寿命期为9 年,最后3 年使用成本均为7000 万元,期末净残值为2000 万元,其他数据不变,用费用现值法比较选择最优方案(以最小寿命期作为共同研究期)。
选项
答案
解析 问题1: (3) 6101.0 (3) ①计算C 方案的功能指数: Waa=2X0.3+3X0.4+1X0.1+3X0.2=2.5 Wbb=3X0.3+1X0.4+2X0.1+2X0.2=1.9 WC=1X0.3+2X0.4+3X0.1+1X0.2=1.6 所以CC 方案的功能指数iV=1.6+(2.5+1.9+1.6)=0.267 ②CC 方案的成本指数Cc=6900+(8500+7600+6900)=0.300 ③CC 方案的价值指数Fc^Fc/Q^O.267+0.3=0.890 因为A 方案的价值指数最大,所以应选择A 方案。 问題2: 设工程款按开工日折算的现值为PV,则: PV 甲=80X(P/A,1%,4)+100X(P/A,1%,4)(P/F,1%,4)+80X(P/A,1%,4)(P/F,1%;8) =80X3.902+100X3.902X0.961+80X3.902X0.923=975.27(万元) PV 乙 =90X(P/A,1%,3)+(90+80)X(P/A,1%,1)(P/F,1%,3)+80X(P/A,1%,4)(P/F,1%,4)+70X(P/A,1%,4)(P/F,1%,8)=90X2.9 41+170X0.990X0.971+80X3.902X0.961+70X3.902X0.923=980.22(万元) PVp}=100X(P/A,1%,4)+90X(P/A,.1%,3)(P/F,1%,4)+(90+60)X(P/A,1%,1)(P/F,1%,7)+60X(P/A,1%,4)(P/F,1%,8)=100X0.3902+90X2941X0.961+150X0.990X0.933+60X3.902X0.923=999.2(万元) 根据上述结果,应选择丙施工方案。 问題3: (1)ACa=[10000+5500(P/A,15%,3)+6500(P/A,15%,3)(P/F,15%,3)—3500(P/F,15%,6)]/(P/A,15%,6). =(10000+12556.5+9764.39-1512)/3.784=8141.88(万元) ACb=[12000+5000(P/A,15%,3)+6000(P/A,15%,3)(P/F,15%,3)—4500CP/F,15%,6)]/(P/A,15%,6) =(12000+11415+9013.28-1944)/3.784=8056.10(万元) 经比较得知,B 方案较优。 注:(P/A,i,n)CP/F,i,n)=Cl+i)~%(P/A,i,n){A/P,i,n)=1。 (2)PAa=10000+5500(P/A,15%,3)+6500(P/A,15%,3)(P/F,15%,3)—3500(P/F,15%,6)=30808.89(万元) PAb=[12000+5000(P/A,15%,3)'+6000(P/A,15%,3)(P/F,15%,3)+7000(P/A,15%,3)(P/F,15%,6) —2000(P/F,15%,9)]'(P/A,15%,6)/(P/A,15%,9)=32857.05(万元) 经比较得知,A 方案较优。

相关内容:工程,三个,设计,方案,有关,专家,决定,功能

猜你喜欢

发表评论
更多 网友评论0 条评论)
暂无评论

Copyright © 2012-2014 恰考网 Inc. 保留所有权利。 Powered by tikuer.com

页面耗时0.0698秒, 内存占用1.05 MB, Cache:redis,访问数据库19次