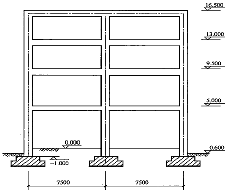
某建筑共有框架10榀,框架剖面如下图所示。混凝土强度等级C20,水泥强度为32.5MPa,柱断面为450mm×450mm,梁断面为300mm×800mm。...

作者: tihaiku 人气: - 评论: 0
问题 某建筑共有框架10榀,框架剖面如下图所示。混凝土强度等级C20,水泥强度为32.5MPa,柱断面为450mm×450mm,梁断面为300mm×800mm。试计算现浇钢筋混凝土框架柱、框架梁工程量
选项
答案
解析  1.矩形柱(010502001)   工程量=[16.5-(-1)]×0.45×0.45×3×10=106. 31(m3)   2.矩形梁(010503002)   工程量=(7.5-0.45)×0.3×0.8×2×4×10=135. 36(m3)

相关内容:建筑,共有,框架,剖面,下图,混凝土,强度,等级,水泥,32.5MPa,柱断,梁断

猜你喜欢

发表评论
更多 网友评论0 条评论)
暂无评论

Copyright © 2012-2014 恰考网 Inc. 保留所有权利。 Powered by tikuer.com

页面耗时0.0276秒, 内存占用1.04 MB, Cache:redis,访问数据库19次