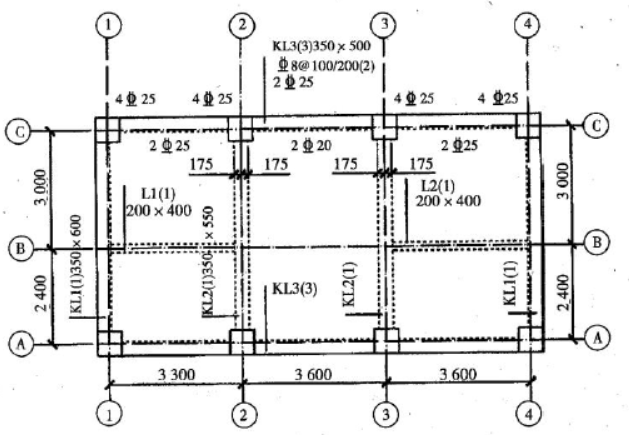
某工业建筑,全现浇框架结构,地下一层,地上三层。柱、梁、板均采用非泵送预拌C30 砼,模板采用复合木模板。其中二层楼面结构如图所示。已知柱截面尺寸均为60...

作者: tihaiku 人气: - 评论: 0
问题 某工业建筑,全现浇框架结构,地下一层,地上三层。柱、梁、板均采用非泵送预拌C30 砼,模板采用复合木模板。其中二层楼面结构如图所示。已知柱截面尺寸均为600mm×600mm;一层楼面结构标高一0.030m;二层楼面结构标高4.470m,现浇楼板厚120mm;轴线尺寸为柱中心线尺寸。(要求管理费费率、利润费率标准按建筑工程三类标准执行) 【问题】 1.按《房屋建筑与装饰工程工程量计算规范》(GB50854-2013)计算一层柱及二层楼面梁、板的混凝土工程量。 2.按《房屋建筑与装饰工程工程量计算规范》(GB50854-2013)要求,编制一层柱及二层楼面梁、板的混凝土分部分项工程量清单。
选项
答案
解析 1.工程量计算表 2.分部分项工程量清单

相关内容:工业建筑,全现,框架结构,地下,地上,非泵,送预,模板,二层,楼面,结构,如图,截面,尺寸

猜你喜欢

发表评论
更多 网友评论0 条评论)
暂无评论

Copyright © 2012-2014 恰考网 Inc. 保留所有权利。 Powered by tikuer.com

页面耗时0.0363秒, 内存占用1.05 MB, Cache:redis,访问数据库17次