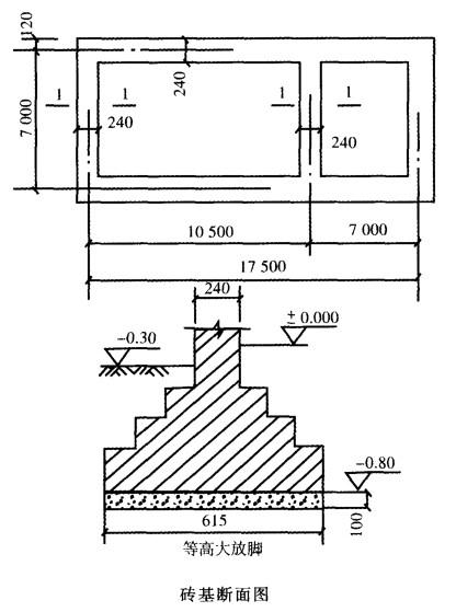
下图为某房屋基础及断面图,请依据图示尺寸求出:1.砖砌基础工程量。2.混凝土垫层工程量

作者: rantiku 人气: - 评论: 0
问题 下图为某房屋基础及断面图,请依据图示尺寸求出: 1.砖砌基础工程量。 2.混凝土垫层工程量
选项
答案
解析 1.关于基础断面面积的计算,砖基础多为大放脚形式,大放脚有等高与不等高两种,不等高大放脚又称间隔式大放脚,等高大放脚是以墙厚为基础,每挑宽1/4砖,挑出砖厚为2皮砖。不等高大放脚,每挑宽1/4砖,挑出砖厚为1皮与2皮相间。基础断面面积=标准墙基厚度+大放脚折加高度,或:基础断面面积=标准墙基厚度 X (基础深度 + 大放脚折加高度)。基础深度指室内地坪至基础底面间的距离。大放脚折加高度是将大放脚增加的断面面积按其相应的标准墙基厚度折合成的高度,计算公式为:大放脚折加高度=大放脚双面断面面积/基础墙厚度= A/B。同样,大放脚增加断面面积是按等高和不等高及放脚层数计算的增加断面面积,可表示为:大放脚增加断面面积=大放脚折加高度 x B。等高式和不等高式砖墙基础大放脚的折加高度和增加断面面积见下表,供计算基础体积时查用。 关于基础长度的计算,外墙墙基按外墙中心线长度计算;内墙墙基按内墙基净长计算(等于内墙中心线长减去外墙基础墙厚度或内墙基础墙厚度)。 基础砌砖工程量=断面X墙长 断面面积=0.24 x (0.8 +0.394) =0.287 (m2) 基拙墙长=17. 5 x2 + 7. 0 x2 + 7 - 0.24 =55. 76 (m) 基础砌砖工程量=0.287 X55_ 76 =16 (m3) 2.混凝土垫层工程量=垫层断面面积X垫层长。本题中内外墙的垫层厚度都是100mm,宽度都是615mm。外墙垫层的长度按外墙中心线长度计算,为17. 5 x 2 + 7 x 2 = 49 (m),内墙垫层长度按内墙基净长计算(等于内墙中心线长度减去垫层宽度),为7 - 0.615 =6.385 (m),所以,混凝土垫层工程量=0.615 x 0. 1 X (17.5x2+7x2+7-0.615) =3.41 (m3)。

猜你喜欢

发表评论
更多 网友评论0 条评论)
暂无评论

访问排行

Copyright © 2012-2014 恰考网 Inc. 保留所有权利。 Powered by tikuer.com

页面耗时0.0408秒, 内存占用1.04 MB, Cache:redis,访问数据库17次