( )是用表的形式反映项目管理班子内部项目经理、各工作部门和各工作岗位对各项工作任务的项目管理职能分工。A.组织结构图 B.任务分工表 C.工作...

作者: tihaiku 人气: - 评论: 0
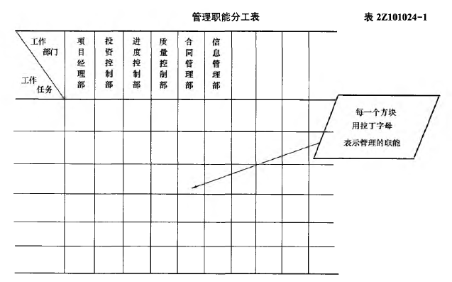
问题 ( )是用表的形式反映项目管理班子内部项目经理、各工作部门和各工作岗位对各项工作任务的项目管理职能分工。
选项 A.组织结构图 B.任务分工表 C.工作流程图 D.管理职能分工表
答案 D
解析 教材P20页 管理职能分工表(见表2Z101024-1)是用表的形式反映各工作部门(各工作岗)位对各项工作任务的项目管理职能分工。

相关内容:用表,形式,项目管理,班子,项目,经理,工作部门,工作,岗位,工作任务,管理职能,分工,组织,结构图,任务

猜你喜欢

发表评论
更多 网友评论0 条评论)
暂无评论

访问排行

Copyright © 2012-2014 恰考网 Inc. 保留所有权利。 Powered by tikuer.com

页面耗时0.0621秒, 内存占用1.03 MB, Cache:redis,访问数据库13次