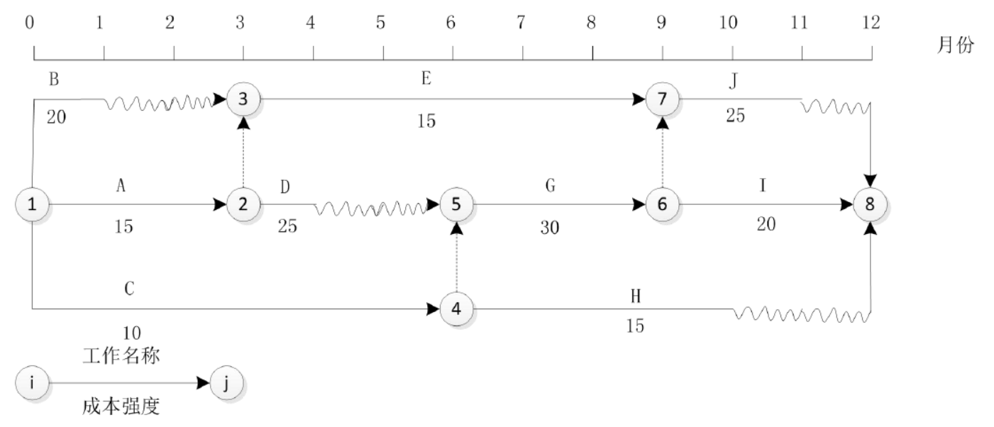
按最早开始时间编制的施工计划及各工作每月成本强度(单位:万元/月)如下图,D 工作可以按最早开始时间或最迟开始时间进行安排。则4 月份的施工成本计划值可以...

作者: tihaiku 人气: - 评论: 0
问题 按最早开始时间编制的施工计划及各工作每月成本强度(单位:万元/月)如下图,D 工作可以按最早开始时间或最迟开始时间进行安排。则4 月份的施工成本计划值可以是( )万元。 A.60 B.50 C.25 D.15 E.10
选项
答案 BC
解析

相关内容:时间,编制,施工,计划,工作,成本,强度,单位,万元,下图,月份

猜你喜欢

发表评论
更多 网友评论0 条评论)
暂无评论

访问排行

Copyright © 2012-2014 恰考网 Inc. 保留所有权利。 Powered by tikuer.com

页面耗时0.0559秒, 内存占用1.05 MB, Cache:redis,访问数据库19次