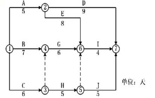
某分部工程双代号网络计划如下图所示,则工作C的自由时差为( )天。 A、1 B、2 C、0 D、3

作者: tihaiku 人气: - 评论: 0
问题 某分部工程双代号网络计划如下图所示,则工作C的自由时差为( )天。
选项 A、1 B、2 C、0 D、3
答案 C
解析 【知识点】建设工程项目进度计划的编制和调整方法。经计算,工作C的自由时差为0。参见教材P141。

相关内容:分部,工程,代号,网络,计划,下图,工作,时差

猜你喜欢

发表评论
更多 网友评论0 条评论)
暂无评论

访问排行

Copyright © 2012-2014 恰考网 Inc. 保留所有权利。 Powered by tikuer.com

页面耗时0.0376秒, 内存占用1.05 MB, Cache:redis,访问数据库18次