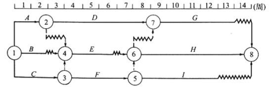
某工程双代号时标网络计划如下图所示(时间单位:周),在不影响总工期的前提下,工作 B 可利用的机动时间为( )周。 A. 1 B. 2 C....

作者: tihaiku 人气: - 评论: 0
问题 某工程双代号时标网络计划如下图所示(时间单位:周),在不影响总工期的前提下,工作 B 可利用的机动时间为( )周。
选项 A. 1 B. 2 C. 3 D. 4
答案 B
解析 在双代号时标网络计划中,本项工作总时差是从本项工作开始到终点节点,所有线路中波形线之和的最小值。故 B 工作的总时差为 2 周

相关内容:工程,代号,时标,网络,计划,下图,时间,单位,影响,工期,工作,可利,机动

猜你喜欢

发表评论
更多 网友评论0 条评论)
暂无评论

访问排行

Copyright © 2012-2014 恰考网 Inc. 保留所有权利。 Powered by tikuer.com

页面耗时0.0348秒, 内存占用1.05 MB, Cache:redis,访问数据库20次