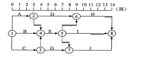
某双代号时标网络计划如下图,如B、D、I工作共用同一台施工机械且按B-D-I顺序施工,则对网络计划可能造成的影响是( )。 2016 A、总工期不会延长...

作者: tihaiku 人气: - 评论: 0
问题 某双代号时标网络计划如下图,如B、D、I工作共用同一台施工机械且按B-D-I顺序施工,则对网络计划可能造成的影响是( )。 2016
选项 A、总工期不会延长,但施工机械会在现场闲置1周 B、总工期会延长1周,但施工机械在现场不会闲置 C、总工期不会延长,且施工机械在现场不会闲置 D、总工期会延长1周,且施工机械会在现场闲置1周
答案 C
解析 本题考查的是双代号时标网络计划。BDI三个工作,按照顺序施工,那么B工作是第4周完成,D工作需要第5周开始,致使D工作拖延1周,但是H工作有1周自由时差,那么ADH线路不影响总工期。D工作第10周结束,I工作第11周开始,持续4个月,到第14个月正好完成,所以BEI线路不影响总工期。

相关内容:某双,代号,时标,网络,计划,下图,工作,施工,机械,且按,顺序,可能,影响,工期

猜你喜欢

发表评论
更多 网友评论0 条评论)
暂无评论

访问排行

Copyright © 2012-2014 恰考网 Inc. 保留所有权利。 Powered by tikuer.com

页面耗时0.0302秒, 内存占用1.05 MB, Cache:redis,访问数据库19次