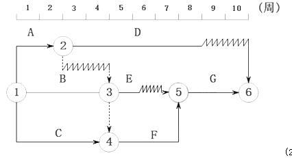
(2015年)某工程时标网络图如下图所示。计划执行到第5周检查实际进度。发现D工作需要3周完成,E工作需1周完成,F工作刚刚开始。由此可以判断出( )。 ...

作者: tihaiku 人气: - 评论: 0
问题 (2015年)某工程时标网络图如下图所示。计划执行到第5周检查实际进度。发现D工作需要3周完成,E工作需1周完成,F工作刚刚开始。由此可以判断出( )。
选项 A.A、B、C工作均已完成 B.D工程按计划进行 C.E工作提前1周 D.F工作进度不影响工期 E.总工期需要延长一周
答案 ABE
解析 本题考查的是网络计划执行中的控制。选项C,E工作按计划完成;选项D,F工作进度影响总工期。

相关内容:2015年,工程,时标,网络,图如,下图,计划,检查,实际,进度,工作,需要,判断

猜你喜欢

发表评论
更多 网友评论0 条评论)
暂无评论

访问排行

Copyright © 2012-2014 恰考网 Inc. 保留所有权利。 Powered by tikuer.com

页面耗时0.0491秒, 内存占用1.04 MB, Cache:redis,访问数据库18次