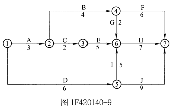
某输水工程经监理工程师批准的网络计划如图1F420140-9 所示(图中工作持续时间以月为单位)。 其中渡槽支撑为桁排架结构,共有28 根柱...

作者: tihaiku 人气: - 评论: 0
问题 某输水工程经监理工程师批准的网络计划如图1F420140-9 所示(图中工作持续时间以月为单位)。 其中渡槽支撑为桁排架结构,共有28 根柱子,最大高度为38m。该工程施工合同工期为18 个月,质量标准要求为优良。施工合同中规定,土方工程单价为16 元/m3,土方估算工程量为22000m3,混凝土工程单价为320 元/m3,混凝土估算工程量为1800m3。当土方工程和混凝土工程的工程量任何一项增加超出该项原估算工程的15% 时,该项超出部分结算单价可进行调整,调整系数为0.9。 在施工过程中监理工程师发现刚拆模的钢筋混凝土柱子中有10 根存在工程质量问题,其中6 根柱子蜂窝、露筋较严重,4 根柱子蜂窝、麻面轻微,且截面尺寸小于设计要求。截面尺寸小于设计要求的4 根柱子经设计单位验算,可以满足结构安全和使用功能要求,可不加固补强。在监理工程师组织质量事故分析会上,承包方提出了如下处理方案: 方案一:6 根柱子加固补强,补强后不改变外形尺寸,不造成永久性缺陷;另4 根柱子不加固补强。 方案二:10 根柱子砸掉重做。 方案三:6 根柱子砸掉重做,另4 根柱子不加固补强。在工程按计划进度进行到第四个月时,业主、监理工程师与承包方协商同意增加一项工作K,其持续时间为2 个月,该工作安排在C 工作结束后开始(K 是C 的紧后工作),E工作开始前结束(K 是E 的紧前工作)。由于K 工作的增加,增加了土方工程量3500m3,增加了混凝土工程量200m3。 工程竣工后,承包方组织了该单位工程的预验收,在组织正式竣工验收前,业主已经提出提前使用该工程。业主使用中发现房屋屋面漏水,要求承包方修理。 问题: (1)承包方要保证主体结构部分工程质量达到优良标准,以上对柱子的工程质量问题的三个处理方案中,哪种方案能够满足要求?为什么? (2)由于增加了K 工作,承包方提出了顺延工期2 个月的要求,该要求是否合理?监理工程师应该签证批准的顺延工期是多少? (3)由于增加了K 工作,相应的工程量有所增加,承包方提出对工程量的结算费用为: 土方工程:3500×16 = 56000 元 混凝土工程:200×320 = 64000 元 合计:120000 元 该费用是否合理?监理工程师对这笔费用应签证多少? (4)在工程未正式验收前,业主提前使用是否可以认为该单位工程已经验收?对出现的质量问题,承包方是否承担保修责任?
选项
答案
解析 (1)方案二可满足要求,应选择方案二。 因为合同要求质量目标为优良,主体分部工程必须优良。采取方案二,所在分部工程可评为优良,此方案可行。 方案一、方案三所在主体分部工程不能评为优良,不能实现合同目标。 (2)承包方提出顺延工期2 个月不合理。因为增加了K 工作,工期增加1 个月,所以监理工程师应签证顺延工期1 个月。 (3)增加结算费用120000 元不合理。因为增加了K 工作,使土方工程增加了3500m3,已经超过了原估计工程量22000m3 的15%,故应进行价格调整,新增土方工程款为:3300×16 + 200×16×0.9 = 55680 元。混凝土工程量增加了200m3,没有超过原估计工程量1800m3 的15%,仍按原单价计算,新增混凝土工程款为:200×320 = 64000 元。监理工程师应签证的费用为:55680 + 64000 = 119680 元。 (4)在工程未正式验收前,业主提前使用不能认为该单位工程已经验收。工程未经验收,业主提前使用,由此发生的质量问题及其他问题,由业主承担责任(重大质量事故除外)。

相关内容:工程,监理,工程师,网络,计划,如图,1F420140-9,图中,工作,为单位,渡槽,排架,结构,共有,根柱

猜你喜欢

发表评论
更多 网友评论0 条评论)
暂无评论

访问排行

Copyright © 2012-2014 恰考网 Inc. 保留所有权利。 Powered by tikuer.com

页面耗时0.0291秒, 内存占用1.05 MB, Cache:redis,访问数据库18次