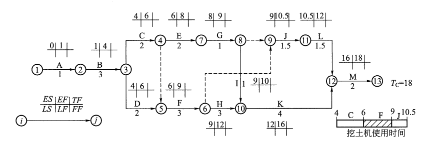
某水利水电工程项目的原施工进度网络计划(双代号)如下图所示。该工程总工期为18 个月。在上述网络计划中,工作C、F、J 三项工作均为土方工程,土方工程量分...

作者: tihaiku 人气: - 评论: 0
问题 某水利水电工程项目的原施工进度网络计划(双代号)如下图所示。该工程总工期为18 个月。在上述网络计划中,工作C、F、J 三项工作均为土方工程,土方工程量分别为7000m3、10000m3、6000m3,共计23000m3,土方单价为15 元/m3。合同中规定,土方工程量增加超出原估算工程量25% 时,新的土方单价可从原来的15 元/m3 下降到13 元/m3。合同约定机械每台闲置1 天为800 元,每月以30 天计;C、F、J 实际工作量与计划工作量相同。 施工中发生如下事件: 事件1:施工中,由于施工单位施工设备调度原因,C、F、J 工作需使用同一台挖土机先后施工。 事件2:在工程按计划进行4 个月后(已完成A、B 两项工作的施工),项目法人提出增加一项新的土方工程N,该项工作要求在F 工作结束以后开始,并在G 工作开始前完成,以保证G 工作在E 和N 工作完成后开始施工。根据施工单位提出并经监理机构审核批复, 该项N 工作的土方工程量约为9000m3,施工时间需要3 个月;新增加的土方工程N 使用与C、F、J 工作同一台挖土机施工。 事件3:土方工程N 完成后,施工单位提出如下索赔: ① 增加土方工程施工费用13.5 万元。 ② 由于增加土方工程N 后,使租用的挖土机增加了闲置时间,要求补偿挖土机的闲置费用2.4 万元。 ③ 延长工期3 个月。 问题: (1)根据事件1,绘制调整后的施工进度计划(双代号),使设备闲置时间最少,且满足计划工期要求。 (2)按事件2 新增加一项新的土方工程N 后,土方工程的总费用应为多少? (3)事件3 中,施工单位上述索赔是否合理?说__________明理由。
选项
答案
解析 (1)在C、F、J 三项工作共用一台挖土机时,将网络计划图调整为下图。计算出各项工作的ES、EF 和总工期(18 个月)。因E、G 工作的时间为3 个月,与F 工作时间相等,所以安排挖土机按C → F → J 顺序施工可使机械不闲置。 (2)增加土方工程N 后,土方工程总费用计算如下: ① 增加N 工作后,土方工程总量为:23000 + 9000 = 32000m3 ② 超出原估算土方工程量百分比为: ③ 超出25% 的土方量为:32000-23000×125% = 3250m3 ④ 土方工程的总费用为:23000×125%×15 + 3250×13 = 47.35 万元 (3)分述如下: ① 施工单位提出增加土方工程施工费用13.5 万元不合理。 因为原土方工程总费用为:23000×15 = 345000 元= 34.5 万元。 增加土方工程N 后,土方工程的总费用为47.35 万元,故土方工程施工费用可增加47.35-34.5 = 12.85 万元。 ② 施工单位提出补偿挖土机的闲置费用2.4 万元合理。 增加了土方工作N 后的网络计划如下图所示,安排挖土机C → F → N → J 按顺序施工,由于N 工作完成后到J 工作的开始中间还需施工G 工作,所以造成机械闲置1 个月。应给予承包方施工机械闲置补偿费:30×800 = 24000 元= 2.4 万元 ③ 工期延长3 个月不合理。 根据对原计划(不增加N 工作)计算的工期为18 个月,增加N 工作后的网络计划计算的工期为20 个月。因此可知,增加N 工作后,计算工期增加了2 个月,因此,监理工程师应批准给予承包方延长工期2 个月。

相关内容:水利,水电工程,目的,施工,进度,网络,计划,代号,下图,工程,工期,个月,工作,土方,工程量

猜你喜欢

发表评论
更多 网友评论0 条评论)
暂无评论

访问排行

Copyright © 2012-2014 恰考网 Inc. 保留所有权利。 Powered by tikuer.com

页面耗时0.1334秒, 内存占用1.04 MB, Cache:redis,访问数据库15次