(2009年)尺寸为 1.5m×1.0m×0.8m(长×宽×高)的箱体平放在水深为2.8m的水池底面,箱体顶面受到的静水压力为( )kN。(水的重度取1...

作者: tihaiku 人气: - 评论: 0
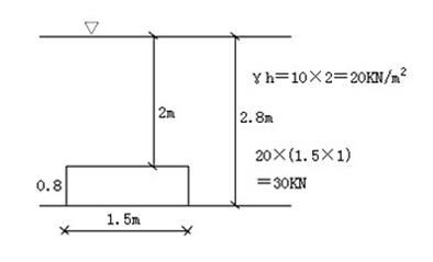
问题 (2009年)尺寸为 1.5m×1.0m×0.8m(长×宽×高)的箱体平放在水深为2.8m的水池底面,箱体顶面受到的静水压力为( )kN。(水的重度取10kN/m3)。
选项 A.20 B.27 C.30 D.42
答案 C
解析

相关内容:2009年,尺寸,箱体,水池,底面,顶面,压力

猜你喜欢

发表评论
更多 网友评论0 条评论)
暂无评论

访问排行

Copyright © 2012-2014 恰考网 Inc. 保留所有权利。 Powered by tikuer.com

页面耗时0.0442秒, 内存占用1.05 MB, Cache:redis,访问数据库20次