背景资料 某水库除险加固工程包括主坝、副坝加固及防汛公路改建等内容,主、副坝均为土石坝。发包人与承包人签订了施工合同。合同约定的节点工期要求:合同工期...

作者: tihaiku 人气: - 评论: 0
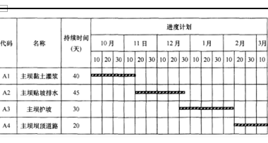
问题 背景资料 某水库除险加固工程包括主坝、副坝加固及防汛公路改建等内容,主、副坝均为土石坝。发包人与承包人签订了施工合同。合同约定的节点工期要求:合同工期200天,2012年10月1日开工。项目部技术人员根据资源配置的基本条件,编写了该工程各工作的逻辑关系及持续时间表(见下表所示),并据此绘制初始网络进度计划(如下图所示),经监理单位审核后修正并补充完整。 水库除险加固工程各工作逻辑关系及持续时间表 工程如期开工,施工中发生如下事件: 事件1:依据已批准的进度计划,结合现场实际,项目部制定了主坝项目的横道图进度计划如下: 注:除主坝项目外,其余项目均按网络计划买施。 事件2:由于移民搬迁问题,C工作时断时续,2013年1月15日全部完成,由此增加费用3万元。 事件3:因修理损坏的灌浆设备,导致A1工作延误了3天,造成机械闲置、人员窝工费用为1.5万元/天。 事件4:A4工作从2013年2月16日开始,因部分坝顶道路压实度没达到质量要求,需返工处理,A4工作的实际持续时间为32天,工程费用增加2万元。 问题 1.根据表,在初始网络进度计划图的基础上,绘制完整正确的网络进度计划。 2.指出主坝项目在网络进度计划中的总工期,最迟完成日期。 3.根据事件1,指出横道图进度计划与监理单位批准的网络图进度计划的不同之处;判断主坝项目的横道图进度计划能否满足网络图计划要求,并说明理由。若能满足要求,则按横道图进度计划施工,若不能满足要求,则按网络图进度计划施工。 4.指出事件2、事件3、事件4的责任方,并分别分析对工期的影响。 5.综合上述事件,计算实际总工期;承包人有权提出增加多少费用和延长多少工期的要求?简要说明理由。
选项
答案
解析 1. 完整正确的网络进度计划如下: ①→⑤为C工作、持续时间60天; ③→⑥、④→⑦增加虚箭线(虚工作); ⑦→⑧B3工作的持续时间应为35天。 2. 主坝项目的计划工期为170天,最迟完成日期2013年3月20日。 3. (1)横道图进度计划(简称:横道图)与网络进度计划(简称:网络图)不同之处: ①A2工作持续时间网络图为50天,横道图为45天。 ②A3工作开始日期网络图为2013年1月1日,与其他工作无搭接,横道图为2012年12月21日,与A2工作搭接5天。 ③A4工作在网络图中持续时间20天,总时差为15天,可以在2013年2月16日至2013年3月20日期间安排,横道图从2013年2月11日开始,持续时间30天。 (2)主坝项目横道图进度计划能满足网络进度计划要求。 理由:主坝项目横道图从2012年10月1日开始,可于2013年3月10日完成,没超过主坝项目的最迟完成日期为2013年3月20日,且A3和A4工作共有10天的总时差。 4. 事件2的责任方为发包人,C工作计划最迟完成日期为2013年1月30日,实际完成日期为2013年1月15日,不影响工期。 事件3的责任方为承包人,A1工作按横道图延误了3天,A2、A3、A4、B1工作的开始时间将推迟,但3天的延误时间并没有超过总时差,不影响工期。 事件4的责任方为承包人,A4工作从2013年2月16日开始,32天后为2013年3月17日完成,未超过3月20日的最迟完成时间,不影响工期。 5. 实际总工期为200天,承包人有权提出增加3万元的费用要求,无权提出延长工期的要求。 理由:事件2为发包人责任,承包人有权提出增加费用要求,而事件3、事件4为承包人责任,增加的费用和延长的工期由承包人自行承担。

相关内容:背景,资料,水库,加固,工程,主坝,副坝,防汛,公路,等内容,土石,承包人,施工,合同,节点,工期,要求

猜你喜欢

发表评论
更多 网友评论0 条评论)
暂无评论

访问排行

Copyright © 2012-2014 恰考网 Inc. 保留所有权利。 Powered by tikuer.com

页面耗时0.0341秒, 内存占用1.04 MB, Cache:redis,访问数据库15次