背景资料 某水闸共2孔,每孔净宽10.0m,闸室采用钢筋混凝土框架结构,底板厚1.8m,顶高程31.3m;闸室总宽23.2m,顺水流长16.0m;闸室...

作者: tihaiku 人气: - 评论: 0
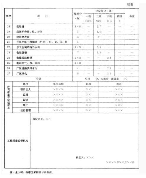
问题 背景资料 某水闸共2孔,每孔净宽10.0m,闸室采用钢筋混凝土框架结构,底板厚1.8m,顶高程31.3m;闸室总宽23.2m,顺水流长16.0m;闸室及翼墙底板基础采用水泥土搅拌桩处理。其主要工程内容有:地基与基础;闸室段;上游连接段;下游连接段;交通桥;金属结构及启闭机安装;工作桥排架启闭机房等。项目划分共划分为1个单位工程,8个分部工程。施工过程中发生如下事件: 事件1:项目法人在主体工程完工后,组织监理、设计、施工等单位,根据工程特点(工程等级及使用情况)和相关技术标准,提出了《水利水电工程施工质量检验与评定规程》表A.2.1所列各项目的外观质量标准,报工程质量监督机构核备。 事件2:单位工程完工后,监理单位及时组织相关单位组成工程外观质量评定组,现场进行外观质量检验评定,并将评定结论报工程质量监督机构核备。 事件3:本工程完工后,及时进行了单位工程质量评定,其中:(1)所含分部工程质量全部合格,其中70%以上达到优良等级,主要分部工程质量全部优良,且施工中未发生过较大质量事故;(2)质量事故已按要求进行处理;(3)外观质量得分率为80%;(4)单位工程施工质量检验与评定资料齐全;(5)工程施工期及试运行期,单位工程观测资料分析结果符合国家和行业技术标准以及合同约定的标准要求。因此,本单位工程质量评定为优良。 事件4:单位工程完工后,及时进行了外观质量评定,评定结果如下: 问题 1.指出事件1、2、3中的不妥之处,并说明理由。 2.外观质量评分有哪些单位参加,人员数量有何要求? 3.事件4中,轮廓线检测项目测点合格率为95%,计算本项得分;计算总得分率。
选项
答案
解析 1. 事件1:组织时间不妥,应在主体工程开工初期;报工程质量监督机构核备不妥,应该为确认。 事件2:组织单位不妥.应该为项目法人;评定结论报工程质量监督机构核备不妥,应该为核定。 事件3:本单位工程质量评定为优良不妥,应评定为合格,因为外观质量得分率未达到85%以上。 [分析] 本题是考察工程外观质量评定标准的制定及报审,外观质量评定的组织及外观质量的评定计算等。 事件1:参照《水利水电工程施工质量检验与评定规程》SL176—2007附录第A.2.2条:项目法人应在主体工程开工初期,组织监理、设计、施工等单位,根据工程特点(工程等级及使用情况)和相关技术标准,提出表A.2.1所列各项目的质量标准,报工程质量监督机构确认。 事件2:参照《水利水电工程施工质量检验与评定规程》SL1176—2007第4.3.7条:单位工程完工后,项目法人应组织监理、设计、施工及工程运行管理等单位组成工程外观质量评定组,现场进行工程外观质量评定,并将评定结论报工程质量监督机构核定。 事件3:参照《水利水电工程施工质量检验与评定规程》SL176—2007第5.2.4条,单位工程满足施工质量同时满足下列标准时,其质量评为优良: ①所含分部工程质量全部合格,其中70%以上达到优良等级,主要分部工程质量全部优良,且施工中未发生过较大质量事故; ②质量事故已按要求进行处理; ③外观质量得分率达到85%以上; ④单位工程施工质量检验与评定资料齐全; ⑤工程施工期及试运行期,单位工程观测资料分析结果符合国家和行业技术标准以及合同约定的标准要求。 2. 项目法人、监理、设计、施工及工程运行管理等单位; 评定组人数应不少于5人,大型工程不宜少于7人。 [分析] 本题是考察工程外观质量评定参加单位和人员的掌握。 参照《水利水电工程施3-质量检验与评定规程》SL176—2007第4.3.7条:单位工程完工后,项目法人应组织监理、设计、施工及工程运行管理等单位组成工程外观质量评定组,现场进行工程外观质量评定,并将评定结论报工程质量监督机构核定。参加工程外观质量评定的人员应具有工程师以上技术职称或相应职业资格。评定组人数应不少于5人,大型工程不宜少于7人。 3. 轮廓线得分:10×90%=9; 总体得分率: (10.8+9+9+9+4.5+6.3+1.4+1.4+9+2+3.6+3.6+2.7+3.6+9+5.4+6.3+2.8+2.8+5.6)÷(12+10+10+10+5+9+2+2+10+2+4+4+3+5+10+6+7+4+4+8)=84.9%。 [分析] 本题是考察工程外观质量评定的计算等。 (1)参照《水利水电工程施工质量检验与评定规程》SL176—2007附录表A.2.3: (2)参照《水利水电工程施工质量检验与评定规程》SL176--2007条文说明5.1.4: 外观质量得分率按下列公式计算,小数点保留一位:

相关内容:背景,资料,水闸,每孔,净宽,闸室,钢筋混凝土,框架结构,底板,高程,总宽,水流

猜你喜欢

发表评论
更多 网友评论0 条评论)
暂无评论

访问排行

Copyright © 2012-2014 恰考网 Inc. 保留所有权利。 Powered by tikuer.com

页面耗时0.0265秒, 内存占用1.05 MB, Cache:redis,访问数据库17次