背景资料: 某工程项目施工招标文件工期为15个月(每月按30天计,下同)。承包方投标所报工期为13个月。合同总价为8000万元。合同约定: (1)实际...

作者: tihaiku 人气: - 评论: 0
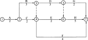
问题 背景资料: 某工程项目施工招标文件工期为15个月(每月按30天计,下同)。承包方投标所报工期为13个月。合同总价为8000万元。合同约定: (1)实际完成工程量超过清单工程量的25%以上时允许调整单价。 (2)拖延工期赔偿金为5万元/天,最高拖延工期赔偿限额为200万元;工期提前奖金金额为5万元/天。 开工前,施工单位编制并经总监理工程师认可的施工进度计划如下图所示。 施工过程中发生如下事件(其他工作均按计划进行)。 事件一:A、C两项工作为土方工程,工程量均为16万m3,合同单价为16元/m3,实际工程量与清单工程量相等。施工按计划进行4个月后,总监理工程师以设计变更通知发布新增土方工程N的指示。该工作性质和难度与A、C相同,工程量为32万m3,N工作在B、C完成后开始,且为H、G的紧前工作。监理工程师和施工单位协商确定的土方调整后单价为14元/m3,N工作计划用4个月时间完成。N工作实际用了4.5个月完成。 事件二:F工作因设计变更,等待施工图纸延迟1个月。 事件三:H工作由于分包单位施工的工程质量不合格导致返工,实际5.5个月完成。 根据以上事件,施工单位提出以下索赔要求: (1)顺延工期6个月。理由是:N工作用4.5个月;F工作延迟1个月;H工作延误的0.5个月是因为监理工程师未能很好地控制分包单位的施工质量。 (2)N工作的费用补偿为16×32=512万元。 问题: 1.指出以上事件的合同责任。 2.施工单位提出的工期索赔是否正确说明理由。 3.施工单位提出的费用索赔是否正确说明理由。 4.施工单位应获得工期提前奖励还是承担工期违约赔偿责任并计算其金额。
选项
答案
解析 1、事件一,N工作的增加,属于发包人的责任;N工作实际用了4.5个月完成,比计划多用了0.5个月,属于施工单位责任。 事件二,属于发包人责任。 事件三,属于施工单位责任。 2、施工单位的工期索赔要求不正确。把非承包人责任造成的工作增加或者工作时间延长计入后的网络图如下。 网络图计算工期为14个月。承包人可以索赔的工期为1个月。 3、施工单位的费用索赔要求不正确。 N工作的费用索赔为8×16+(32-8)×14=464万元。 4、施工单位应承担违约责任。赔偿工期违约金30×5=150万元。

相关内容:背景,资料,工程项目,施工,招标,文件,工期,15个月,30天计,承包方,所报,13个月,合同,总价,8000万元,约定,实际

猜你喜欢

发表评论
更多 网友评论0 条评论)
暂无评论

Copyright © 2012-2014 恰考网 Inc. 保留所有权利。 Powered by tikuer.com

页面耗时0.0447秒, 内存占用1.04 MB, Cache:redis,访问数据库19次