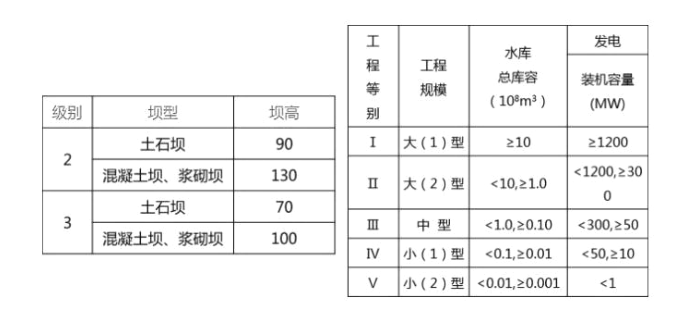
某水利枢纽工程总库容为9000 万m3,装机容量33 万kw。其水库大坝为土石坝,坝高105m,则大坝的级别为( )级。A.1 B.2 C.3 D.4

作者: tihaiku 人气: - 评论: 0
问题 某水利枢纽工程总库容为9000 万m3,装机容量33 万kw。其水库大坝为土石坝,坝高105m,则大坝的级别为( )级。
选项 A.1 B.2 C.3 D.4
答案 A
解析

相关内容:工程,库容,装机容量,水库,大坝,土石,坝高,别为

猜你喜欢

发表评论
更多 网友评论0 条评论)
暂无评论

Copyright © 2012-2014 恰考网 Inc. 保留所有权利。 Powered by tikuer.com

页面耗时0.0497秒, 内存占用1.04 MB, Cache:redis,访问数据库18次