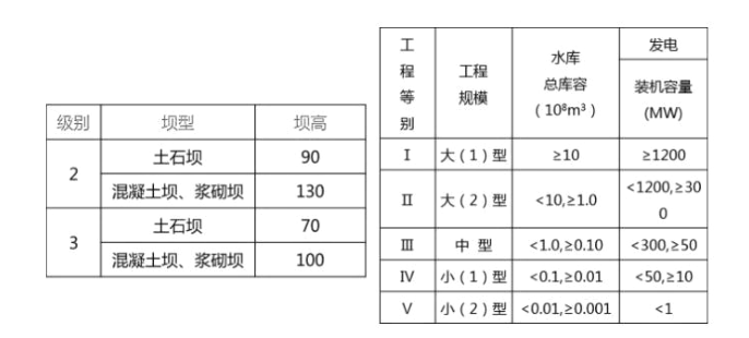
某水利枢纽工程总库容为9000 万m3,装机容量33 万kw。其水库大坝为土石坝,坝高105m,则大坝的级别为( )级。A.1 B.2 C.3 D.4

作者: tihaiku 人气: - 评论: 0
问题 某水利枢纽工程总库容为9000 万m3,装机容量33 万kw。其水库大坝为土石坝,坝高105m,则大坝的级别为( )级。
选项 A.1 B.2 C.3 D.4
答案 A
解析

相关内容:工程,库容,装机容量,水库,大坝,土石,坝高,别为

猜你喜欢

发表评论
更多 网友评论0 条评论)
暂无评论
错误啦!

错误信息

  • 消息: [程序异常] : MISCONF Redis is configured to save RDB snapshots, but it's currently unable to persist to disk. Commands that may modify the data set are disabled, because this instance is configured to report errors during writes if RDB snapshotting fails (stop-writes-on-bgsave-error option). Please check the Redis logs for details about the RDB error.
  • 文件: /twcms/kongphp/cache/cache_redis.class.php
  • 位置: 第 85 行
    <?php echo 'KongPHP, Road to Jane.'; ?>