共用题干凌云股份有限公司共有资金1000万元,其中普通股600万元,资本成本为10%;3年期长期借款400万元,年利率为9.9%,每年付息一次,到期一次还...

作者: rantiku 人气: - 评论: 0
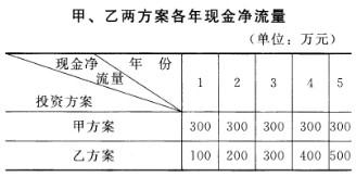
问题 共用题干凌云股份有限公司共有资金1000万元,其中普通股600万元,资本成本为10%;3年期长期借款400万元,年利率为9.9%,每年付息一次,到期一次还本,筹资费用率为1%;该公司所得税税率为30%。2011年该公司有甲、乙两个投资方案,初始投资额均为800万元,各年的现金净流量如下: 该公司2011年度销售收入8000万元,销售成本6400万元,实现税后净利润800万元。该公司2011年11月15日发布公告:“本公司董事会在2011年11月15日的会议上决定,本年度发放每股为0.1元的股利;本公司将于2012年1月10日将上述股利支付给已在2011年12月15日登记为本公司股东的人士。”
选项 该公词的加权平均资本成本为()。 A:6.4% B:7.2% C:8.8% D:9.5%
答案 C
解析 本题考查个别资本成本——长期借款的资本成本。长期借款的资本成本是指借款利息和筹资费用。一次还本、分期付息借款的成本=[长期借款利率*(1-所得税率)]/(1-长期借款筹资费用率)=9.9%*(1-30%)/(1-1%)=7%。 加权平均资本成本=(600*10%+400*7%)/1000=8.8%。 根据给出的资料,评价甲、乙方案只能用净现值法。评价结果是甲方案优于乙方案,则表明甲方案比乙方案的净现值大。 销售净利率=(净利润/销售收入)*100%=800/8000*100%=10%。 该公司2011年11月15日发布公告,本公司将于2012年1月10日将股利支付给已在2011年12月15日登记为本公司股东的人士。

猜你喜欢

发表评论
更多 网友评论0 条评论)
暂无评论

访问排行

Copyright © 2012-2014 恰考网 Inc. 保留所有权利。 Powered by tikuer.com

页面耗时0.0366秒, 内存占用1.03 MB, Cache:redis,访问数据库19次