某施工单位承接了一项PTN网工程,施工内容包括五个局站的设备安装及测试,所有PTN设备有100G移动接口,项目部制定的网络计划图,如图1所示。 ...

作者: tihaiku 人气: - 评论: 0
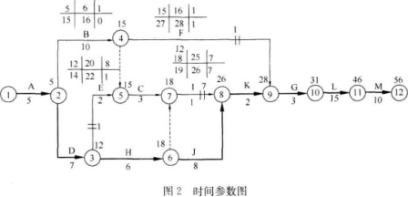
问题 某施工单位承接了一项PTN网工程,施工内容包括五个局站的设备安装及测试,所有PTN设备有100G移动接口,项目部制定的网络计划图,如图1所示。 上图中工作代号与工作内容的对应关系,见表1。 根据合同约定,建设单位按照各局站工作的最早开始时间,将设备运到机房,施工中发生如下事件:? 事件1:乙站、丙站设备均推迟2d运到机房。 事件2:施工单位仪表比计划最早进场时间推迟5d时间。 事件3:在丁站本机测试中,仪表故障造成测试工作延迟6d。 【问题】 1.参照A标注B、E、F、I工作时间参数。 2.在保证工期前提下,测试工作于第几天开始能保证仪表的最高利用率? 3.各事件顺序发生时,分别影响工期多少天?哪些可以向建设单位索赔工期?本工期的实际工期是多少天? 4.在本机测试网元级测试中,本工程需要测试接口的平均发送光功率、接收光灵敏度和最小过载光功率外,还需要测试哪些项目?
选项
答案
解析 1.采用简化时标分析法,分析如下,四个时间参数,如图2所示。 2.测试工作有E、C、I、K、G、L,要保证仪器最高利用率就要求仪器连续、不间断工作,才能避免仪器窝工,即需求最早开始的测试工作E的最晚开始时间;从图2可知E 最晚开始时间是第21天,最晚结束时间是第22天,所有测试工作于第21天开始能保证仪表的最高利用率。 3.事件1中D、F工作各推迟2d,且均为建设单位责任。D工作是关键工作,将使工期延误2d,可向建设单位索赔工期2d。F是非关键工作,推迟2d大于其总时差1d将延误1d,但前面D工作已经延误了2d,所以此1d将不会影响工期,也不可向建设单位索赔工期。 事件2中E工作推迟5d,属施工单位自己的责任,不能进行索赔。E工作是非关键工作,其推迟时间5d小于其总时差8d,所以不会影响工期。 事件3中I工作推迟6d,属施工单位自己的责任,不能进行索赔。I工作是非关键工作,其推迟时间6d小于其总时差7d,但前面E事件已经延误5d,所以将影响工期5+6-7=4d。 本工期的实际工期是计划工期加上延误工期。 延误工期=2(D延误)+E5(E延误)+6(I延误)-7(1总时差)]=6d。 实际工期=56(计划工期)+6(延误工期)=62d。 4.还需要测试:(1)吞吐量;(2)时延;(3)过载丢包率;(4)背靠背。

相关内容:工程,施工,内容包括,五个局,设备安装,测试,移动,接口,项目部,网络,计划,如图,1所示

猜你喜欢

发表评论
更多 网友评论0 条评论)
暂无评论

访问排行

Copyright © 2012-2014 恰考网 Inc. 保留所有权利。 Powered by tikuer.com

页面耗时0.0302秒, 内存占用1.05 MB, Cache:redis,访问数据库20次