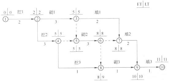
如图中挖3工序的总时差是()。 A、0 B、1 C、2 D、3

作者: rantiku 人气: - 评论: 0
问题 如图中挖3工序的总时差是()。
选项 A、0 B、1 C、2 D、3
答案 D
解析 挖3工序的总时差=箭头点最迟-箭尾点最早-本工序持续=9-5-1=3。

猜你喜欢

发表评论
更多 网友评论0 条评论)
暂无评论
错误啦!

错误信息

  • 消息: [程序异常] : MISCONF Redis is configured to save RDB snapshots, but it's currently unable to persist to disk. Commands that may modify the data set are disabled, because this instance is configured to report errors during writes if RDB snapshotting fails (stop-writes-on-bgsave-error option). Please check the Redis logs for details about the RDB error.
  • 文件: /twcms/kongphp/cache/cache_redis.class.php
  • 位置: 第 85 行
    <?php echo 'KongPHP, Road to Jane.'; ?>