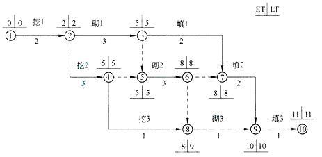
图中挖3工序的最迟开始时间和最迟完成时间论述正确是()。 A、挖3工序最迟在第5d后开始并且最迟在第6d晚上结束 B、挖3工序最迟在第5d早晨开始...

作者: rantiku 人气: - 评论: 0
问题 图中挖3工序的最迟开始时间和最迟完成时间论述正确是()。
选项 A、挖3工序最迟在第5d后开始并且最迟在第6d晚上结束 B、挖3工序最迟在第5d早晨开始并且最迟在第8d晚上结束 C、挖3工序最迟在第8d早晨开始并且最迟在第9d晚上结束 D、挖3工序最迟在第8d后开始并且最迟在第9d晚上结束
答案 D
解析 如图挖三工序持续时间为1天,8节点的最早时间是8d,最迟时间是9d,所以挖3工序最迟应该是在8d过后开始到9d晚上结束。C选项不正确,因为从8d早上开始到9d晚上结束是持续了两天。

猜你喜欢

发表评论
更多 网友评论0 条评论)
暂无评论

访问排行

Copyright © 2012-2014 恰考网 Inc. 保留所有权利。 Powered by tikuer.com

页面耗时0.0405秒, 内存占用1.03 MB, Cache:redis,访问数据库17次