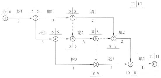
如图中挖3工序的总时差是()。 A、0 B、1 C、2 D、3

作者: rantiku 人气: - 评论: 0
问题 如图中挖3工序的总时差是()。
选项 A、0 B、1 C、2 D、3
答案 D
解析 挖3工序的总时差=箭头点最迟-箭尾点最早-本工序持续=9-5-1=3。

猜你喜欢

发表评论
更多 网友评论0 条评论)
暂无评论

访问排行

Copyright © 2012-2014 恰考网 Inc. 保留所有权利。 Powered by tikuer.com

页面耗时0.0310秒, 内存占用1.03 MB, Cache:redis,访问数据库19次