A安装公司承包某分布式能源中心的机电安装工程,工程内容有:三联供(供电、供冷、供热)机组、配电柜、水泵等设备安装和冷热水管道、电缆排管及电缆施工。三联供机...

作者: rantiku 人气: - 评论: 0
问题 A安装公司承包某分布式能源中心的机电安装工程,工程内容有:三联供(供电、供冷、供热)机组、配电柜、水泵等设备安装和冷热水管道、电缆排管及电缆施工。三联供机组、配电柜、水泵等设备由业主采购;金属管道、电力电缆及各种材料由安装公司采购。
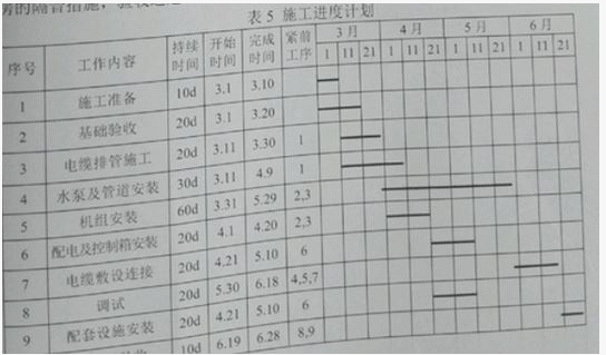
选项 A安装公司项目部进场后,编制了施工进度计划(见表5)、预算费用计划和质量预控方案。对业主采购的三联供自己、水泵等设备检查、结对技术参数,符合设计要求。设备基础验收合格后,采用卷扬机及滚杠滑移系统将三联供机组二次搬运、吊装就位。安装中设置了质量控制点、做好施工记录,保证安装质量,达到设计及安装说明书要求。 在施工中发生了以下3个事件: 事件1:项目部将2000m电缆排管施工分包给B公司,预算单价为120元/m,在3月22日结束时检测,B公司只完成电缆排管施工1000m,但支付给B公司的工程进度款累计已达160000元,项目部对B公司提出警告,要求加快施工进度。 事件2:在热水管道施工中,按施工图设计位置施工,碰到其他管线,使热水管道施工受阻,项目部向设计单位提出设计变更,要求改变热水管道的走向,结果使水泵及管道安装工作拖延到4月29日才完成。 事件3:在分布式能源中心项目试运行验收中,有一台三联供机组员噪音较大,经有关部门检验分析及项目部提供的施工文件证明,不属于安装质量问题,后增加机房的隔音设施,验收通过。 问题 1.业主采购水泵时应该考虑哪些性能参数? 2.三联供机组就位后,试运行前还有哪些安装步骤? 3.计算事件1中的CPI和SPI及其影响,请问是否影响总工期? 4.请问事件2中承包单位如何才能修改图纸?请问延误是否影响工期? 5.针对事件3中,施工单位需要哪些资料才能证明自己没有过错?
答案
解析 1.业主采购水泵时应该考虑以下性能参数:P13流量(1分)、扬程(1分)、轴功率(1分)、转速(1分)、效率(1分)、必需的汽蚀余量(1分))。2.三联供机组就位后,试运行前还有以下安装步骤:P67安装精度调整与检测(1分)、设备固定与灌浆(1分)、零件装配(1分)、润滑与设备加油(1分)。3.事件1中预算单价120元/m,B公司已完成电缆排管施工1000m,可得:已完工程预算费用BCWP=1000m*120元/m=120000元(1分);已完工程实际费用ACWP=160000元;计划工程预算费用BCWS=(2000/20*12)m*120元/m=144000元(1分);所以:(1)事件1中的CPI=BCWP/ACWP=120000/160000=0.75(1分),说明费用超支(1分)。P336-337(2)事件1中的SPI=BCWP/BCWS=120000/144000=0.83(1分),说明进度延误(1分)。P336-337(3)影响总工期(1分),理由:工作电缆排管施工在关键线路上,是关键工作,时差为0,延误影响总工期(1分)。P3354.(1)如发现设计有问题或因施工方面的原因要求变更设计,应提出设计变更,办理签认后方可更改(1分)。重大设计变更由项目总工程师组织研究、论证后,提交建设单位组织设计、施工、监理单位进一步论证、审核,决定后由设计单位修改设计图纸并出具设计变更通知书,还应附有工程预算变更单,经建设、监理、施工单位会签后生效。(3分)P316。(2)不影响工期(1分)。理由:水泵及管道安装工作在非关键线路上,是非关键工作,总时差为50d;原计划到4月9日完工,拖延到4月29日才完成,说明工作延误20天,延误时间没有超出总时差,所以不影响工期。(1分)P3355.针对事件3中,施工单位证明自己没有过错需要以下资料:P430施工图纸、设备技术资料、设计说明书、设计变更单及有关技术文件;合同。(6分)。

猜你喜欢

发表评论
更多 网友评论0 条评论)
暂无评论

访问排行

Copyright © 2012-2014 恰考网 Inc. 保留所有权利。 Powered by tikuer.com

页面耗时0.0391秒, 内存占用1.04 MB, Cache:redis,访问数据库20次