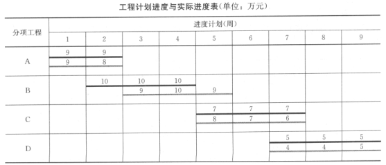
某小学工程的计划进度和实际进度如下表所示,表中粗实线表示计划进度(进度线上方的数据为每周计划完成工作预算成本),粗虚线表示实际进度(进度线上方的数据为每周...

作者: rantiku 人气: - 评论: 0
问题 某小学工程的计划进度和实际进度如下表所示,表中粗实线表示计划进度(进度线上方的数据为每周计划完成工作预算成本),粗虚线表示实际进度(进度线上方的数据为每周实际发生成本),假定各分项工程每周计划完成总工程量和实际完成总工程量相等,且进度均匀进展。 【问题】: (1)计算每周成本数据,并将结果填入下表中。 (2)分析第4周末和第7周末的成本偏差(CV)和进度偏差(SV)。 (3)计算8周末的成本绩效指数(CPI)和进度绩效指数(SPI)并分析成本和进度状况。
选项
答案
解析 (1)计算每周的投资数,结果见下表。 (2)分析第4周末和第7周末的成本偏差和进度偏差: 1)从表中看出:第4周末的成本偏差和进度偏差; 成本偏差:CV=BCWP-ACWP=38-36=2万元>0,表示项目运行节支2万元,即:实际成本没有超出预算成本。 进度偏差:SV=BCWP-BCWS=38-48=-10万元<0,表示进度拖后,即:实际进度落后于计划进度。 2)从表中看出:第7周末的成本偏差和进度偏差; 成本偏差:CV=BCWP-ACWP=74-70=4万元>0,表示项目运行节支4万元,即:实际成本没有超出预算成本。 进度偏差:SV=BCWP-BCWS=74-74=0,表示项目按计划进行,即:实际进度等于计划进度。 (3)计算第8周末的成本绩效指数和进度绩效指数。 1)成本绩效指数:CPI=BCWP/ACWP=79/74=1.07,由于CPI>1,故费用节支,即实际成本低于预算成本。 2)进度绩效指数:SPI=BCWP/BCWP=79/79=1.0,由于SPI=1。故实际进度与计划进度相同。

猜你喜欢

发表评论
更多 网友评论0 条评论)
暂无评论

访问排行

Copyright © 2012-2014 恰考网 Inc. 保留所有权利。 Powered by tikuer.com

页面耗时0.0648秒, 内存占用1.04 MB, Cache:redis,访问数据库19次