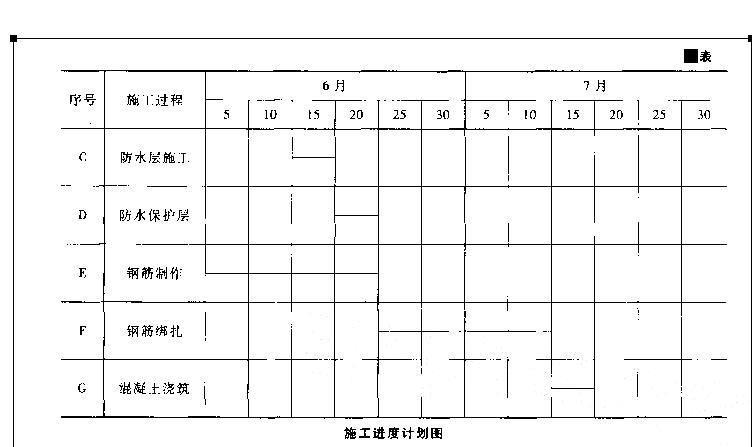
某工程基础底板施工,合同约定工期50天,项目经理部根据业主提供的电子版图纸编制了如下图所示的施工进度计划。底板施工暂未考虑流水施工。在施工准备及施工过...

作者: rantiku 人气: - 评论: 0
问题 某工程基础底板施工,合同约定工期50天,项目经理部根据业主提供的电子版图纸编制了如下图所示的施工进度计划。底板施工暂未考虑流水施工。 在施工准备及施工过程中,发生了如下事件: 事件一:公司在审批该施工进度计划(横道图)时提出,计划未考虑工序B与C,工序D 与F之间的技术间歇(养护)时间;要求项目经理部修改。两处工序技术间歇(养护)均为2 天,项目经理部按要求调整了进度计划,经监理批准后实施。 事件二:施工单位采购的防水材料进场抽样复试不合格,致使工序C比调整后的计划开始 时间延后3天。因业主未按时提供正式图纸,致使工序E在6月11日才开始。 事件三:基于安全考虑,建设单位要求仍按合同约定的时间完成底板施工,为此施工单位 采取调整劳动力计划,增加劳动力等措施,在15天内完成了 2 700吨钢筋制作[工效为4.5吨/ (每人?工作日)]。 问题: 1.在答题卡上绘制事件一中调整后的进度施工计划网络图(双代号),并用双线表示出关 .键线路。 2.考虑事件一、二的影响,计算总工期(假定各工序持续时间不变),如果钢筋制作、钢 筋绑扎及混凝土浇筑按两个流水段组织等节拍流水施工,其总工期将变为多少天?是否满足原 合同约定的工期? 3.计算事件三钢筋制作的劳动力投人量,编制劳动力需求计划时,需要考虑哪些参数? 4.根据本案例的施工过程,总承包单位依法可以进行哪些专业分包和劳务分包?
选项
答案
解析 (2)从网络计划的整体角度,考虑事件一、亊件二影响,F工作27天(即6月28 B上班 时刻)才能开始施工。则总工期=42.5 +7 =49.5天。满足原合同约定的工期。 3. (1)钢筋制作的劳动力投入量=2 700/ (15 x4.5) =40 (人)。 (2)应考虑的参数:工程量;持续时间;劳动力投入量;劳动效率;班次;每班工作时间。 4.专业分包:防水施工工程。劳务分包:砌筑作业,钢筋作业,混凝土作业。

猜你喜欢

发表评论
更多 网友评论0 条评论)
暂无评论

访问排行

Copyright © 2012-2014 恰考网 Inc. 保留所有权利。 Powered by tikuer.com

页面耗时0.0316秒, 内存占用1.04 MB, Cache:redis,访问数据库18次