背景某机场飞行区场道土石方工程施工由甲乙两个施工单位承担。甲施工单位承担南区施工,乙施工单位承担北区施工。南北两区均有道面土基区和土面区填方施工。...

作者: rantiku 人气: - 评论: 0
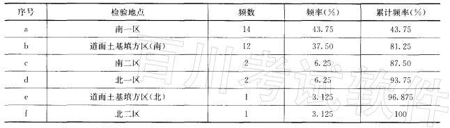
问题 背景 某机场飞行区场道土石方工程施工由甲乙两个施工单位承担。甲施工单位承担南区施工,乙施工单位承担北区施工。南北两区均有道面土基区和土面区填方施工。 技术标准:道面土基填方区,压实度不小于98%;土面填方区,压实度不小于90%,施工过程中对道面土基、土面区压实度进行了检验,检验结果见下表: 问题 (1)统计各部位压实度不合格检验点数量,并按顺序列出不合格点数的频数、频率(%)、累计频率(%)排列表。 (2)使用排列图法(巴雷特图法)画出各不合格点排列图,分析并确定哪个部位的施工是主要问题。 (3)分析并比较甲乙施工单位的施工质量水平。
选项
答案
解析 分析 (1)依据已知条件,检验统计结果见下表。 计算各部位不合格点的频数、频率并排顺序,结果见下表。 (2)绘制排列图,见下图。 累计频率0%~80%的问题为主要问题(A类问题),由图可知,南一区和土基填方区(南)填方施工是主要问题。 (3)南区检验点总数44个,合格点数16个,合格率36. 4%;北区检验点总数22个,合格点数18个,合格率81. 8%;乙施工单位施工质量高于甲施工单位的施工质量。

猜你喜欢

发表评论
更多 网友评论0 条评论)
暂无评论

访问排行

Copyright © 2012-2014 恰考网 Inc. 保留所有权利。 Powered by tikuer.com

页面耗时0.1187秒, 内存占用1.04 MB, Cache:redis,访问数据库20次