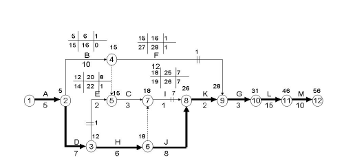
(五)、背景:某施工单位承接了一项PTN网工程,施工内容包括五个局站的设备安装及测试,所有PTN设备有100G移动接口,项目部制定的网络计划图如下: ...

作者: rantiku 人气: - 评论: 0
问题 (五)、背景:某施工单位承接了一项PTN网工程,施工内容包括五个局站的设备安装及测试,所有PTN设备有100G移动接口,项目部制定的网络计划图如下: 工作代号 工作名称 持续时间 工作代号 工作名称 持续时间 根据合同约定,建设单位按照各局站工作的最早开始时间,将设备运到机房,施工中发生如下事件: 事件一:乙站、丙站设备均推迟2天运到机房; 事件二:施工单位仪表比计划最早进场时间推迟5天时间; 事件三:在丁站本机测试中,仪表故障造成测试工作延迟6天;   问题:   
选项 1、按下表格计划列出各项工作的紧前工作和紧后工作 2、参照 A标注B、E、F、I工作时间参数 3、列出本项目的关键工作,计算计划工期 4、在保证工期前提下,测试工作于第几天开始能保证仪表的最高利用率? 5、各事件顺序发生时,分别影响的工期多少天?哪些可以向建设单位索赔工期,本工程的实际工期是多少天? 6、在本机测试网元级测试中,本工程除需要测试接口的平均发送光功率、接收光灵敏度和最小过载光功率外,还需要测试那些项目
答案
解析 1. 2.答:采用简化时标分析法,分析如下,四个时间参数见图。 3.关键工作是:A-D-H-J-K-G-L-M 计划工期=5(A)+7(D)+6(H)+8(J)+2(K)+3(G)+15(L)+10(M)=56(天) 4.答:测试工作有E、C、I、K、G、L ,要保证仪器最高利用率就要求仪器连续、不间断工作,才能避免仪器窝工,即需求最早开始的测试工作E的最晚开始时间;从图可知E最晚开始时间是第21天,最晚结束时间是第22天,所有测试工作于第21天开始能保证仪表的最高利用率。 5.答: 事件一中D、F工作各推迟2天,且均为建设单位责任。D工作是关键工作,将使工期延误2天,可向建设单位索赔工期2天;F是非关键工作,推迟2天大于其总时差1天将延误1天,但前面D工作已经延误了2天,所以此1天将不会影响工期,也不可向建设单位索赔工期。 事件二E工作推迟5天,属施工单位自己的责任,不能进行索赔;E工作是非关键工作,其推迟时间5天小于其总时差8天,所以不会影响工期。 事件三I工作推迟6天,属施工单位自己的责任,不能进行索赔;I工作是非关键工作,其推迟时间6天小于其总时差7天,但前面E事件已经延误5天,所以将影响工期5+6-7=4天。 本工程实际工期是计划工期加上延误工期。 延误工期=2(D延误)+〔5(E延误)+6(I延误)-7(I总时差) 〕=6天 实际工期=56(计划工期)+6(延误工期)=62(天) 6.答:还需要测试: ① 吞吐量 ② 时延 ③ 过载丢包率 ④ 背靠背。

猜你喜欢

发表评论
更多 网友评论0 条评论)
暂无评论
错误啦!

错误信息

  • 消息: [程序异常] : MISCONF Redis is configured to save RDB snapshots, but it's currently unable to persist to disk. Commands that may modify the data set are disabled, because this instance is configured to report errors during writes if RDB snapshotting fails (stop-writes-on-bgsave-error option). Please check the Redis logs for details about the RDB error.
  • 文件: /twcms/kongphp/cache/cache_redis.class.php
  • 位置: 第 85 行
    <?php echo 'KongPHP, Road to Jane.'; ?>