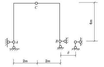
如图所示。支座B发生了移动,则点C的竖向位移为(  )。

作者: tihaiku 人气: - 评论: 0
问题 如图所示。支座B发生了移动,则点C的竖向位移为(  )。
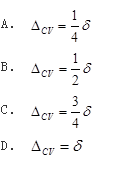
选项
答案 A
解析

相关内容:如图,支座,移动,则点,位移

猜你喜欢

发表评论
更多 网友评论0 条评论)
暂无评论

访问排行

Copyright © 2012-2014 恰考网 Inc. 保留所有权利。 Powered by tikuer.com

页面耗时0.0403秒, 内存占用1.04 MB, Cache:redis,访问数据库19次