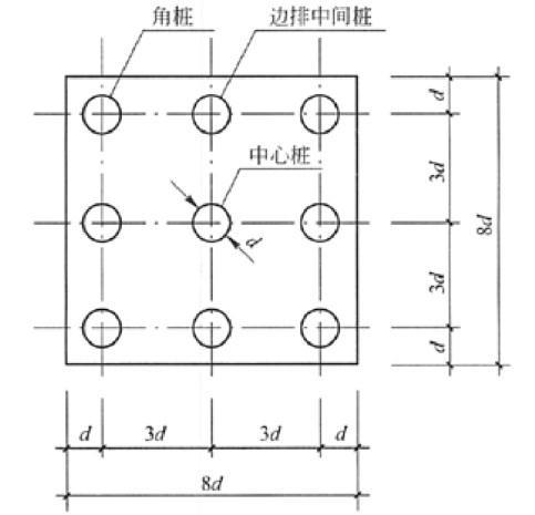
一埋置于黏性土中的摩擦型桩基础,承台下有9根直径为d、长度为l的钻孔灌注桩,承台平面尺寸及桩分布如下图所示,承台刚度很大,可视为绝对刚性,在竖向中心荷载作...

作者: tihaiku 人气: - 评论: 0
问题 一埋置于黏性土中的摩擦型桩基础,承台下有9根直径为d、长度为l的钻孔灌注桩,承台平面尺寸及桩分布如下图所示,承台刚度很大,可视为绝对刚性,在竖向中心荷载作用下,沉降均匀,你认为下面对承台下不同位置处桩顶反力估计,()是正确的。 A.中心桩反力最小,边排中间桩最大,角桩次之 B.中心桩反力最小,边排中间桩次之,角桩反力最小 C.中心桩反力最大,围绕中心四周的8根粧,反力应相同,数值比中心桩, D.角桩反力最大,边排中间桩次之,中心桩反力最小
选项
答案 B
解析

相关内容:一埋,黏性,摩擦型,桩基础,下有,直径,长度,钻孔,灌注桩,平面,尺寸,下图,刚度,刚性,中心,荷载

猜你喜欢

发表评论
更多 网友评论0 条评论)
暂无评论

访问排行

Copyright © 2012-2014 恰考网 Inc. 保留所有权利。 Powered by tikuer.com

页面耗时0.0368秒, 内存占用1.05 MB, Cache:redis,访问数据库19次