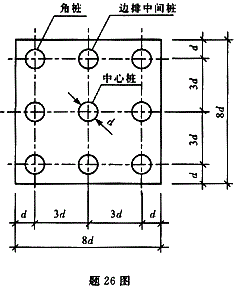
一埋置于黏性土中的摩擦型桩基础,承台下有9根直径为d,长度为l的钻孔灌注桩,承台平面尺寸及桩分布如图所示,承台刚度很大,可视为绝对刚性,在竖向中心荷载作用...

作者: tihaiku 人气: - 评论: 0
问题 一埋置于黏性土中的摩擦型桩基础,承台下有9根直径为d,长度为l的钻孔灌注桩,承台平面尺寸及桩分布如图所示,承台刚度很大,可视为绝对刚性,在竖向中心荷载作用下沉降均匀。下列对承台下不同位置处桩顶反力的估计,正确的是( )。
选项 A. 中心桩桩顶反力最小,边排中间桩最大,角桩次之 B. 中心桩桩顶反力最大,边排中间桩次之,角桩最小 C. 中心桩桩顶反力最大,围绕中心四周的8根桩,桩顶反力应相同,数值比中心桩小 D. 角桩桩顶反力最大,边排中间桩次之,中心桩桩顶反力最小
答案 B
解析 按题意,承台底面压力p为均匀分布,中心桩桩顶反力约为9d2p,边排中间桩桩顶反力约为7.5d2p,角桩桩顶反力约为6.25d2p,因此B正确。

相关内容:一埋,黏性,摩擦型,桩基础,下有,直径,长度,钻孔,灌注桩,平面,尺寸,如图,刚度,刚性,中心,荷载,作用

猜你喜欢

发表评论
更多 网友评论0 条评论)
暂无评论

访问排行

Copyright © 2012-2014 恰考网 Inc. 保留所有权利。 Powered by tikuer.com

页面耗时0.0248秒, 内存占用1.04 MB, Cache:redis,访问数据库16次