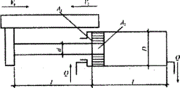
如图所示单杆活塞缸,工作台右移动时速度为V1,推力为F1;工作台左移时速为V2,推力F2为下列四种情况中,正确的是( )。A:V2

作者: tihaiku 人气: - 评论: 0
问题 如图所示单杆活塞缸,工作台右移动时速度为V1,推力为F1;工作台左移时速为V2,推力F2为下列四种情况中,正确的是( )。
选项 A:V21,F21 B:V2>V1,F2>F1 C:V2>V1,F21 D:V21,F2>F1
答案 D
解析

相关内容:如图,单杆,活塞,工作台,移动,速度,推力,左移,时速,情况

猜你喜欢

发表评论
更多 网友评论0 条评论)
暂无评论

访问排行

Copyright © 2012-2014 恰考网 Inc. 保留所有权利。 Powered by tikuer.com

页面耗时0.0421秒, 内存占用1.03 MB, Cache:redis,访问数据库15次