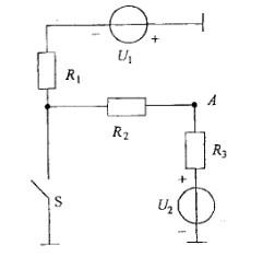
图示电路中,已知:U1=U2=12V,R1=R2=4kΩ,R3=16kΩ。S 断开后A 点电位VA0和S闭合后A点电位US分别是:A. -4V,3...

作者: rantiku 人气: - 评论: 0
问题 图示电路中,已知:U1=U2=12V,R1=R2=4kΩ,R3=16kΩ。S 断开后A 点电位VA0和S闭合后A点电位US分别是: A. -4V,3.6V B. 6V,0V C.4V,-2.4V D. -4V,2.4V
选项
答案 D
解析 提示:当S分开时,电路元件U1、U2、R1、R2、R3构成串联电路;当S闭合时,A点电的电位UA与U1、R1的大小无关。

猜你喜欢

发表评论
更多 网友评论0 条评论)
暂无评论

访问排行

Copyright © 2012-2014 恰考网 Inc. 保留所有权利。 Powered by tikuer.com

页面耗时0.0369秒, 内存占用1.03 MB, Cache:redis,访问数据库20次